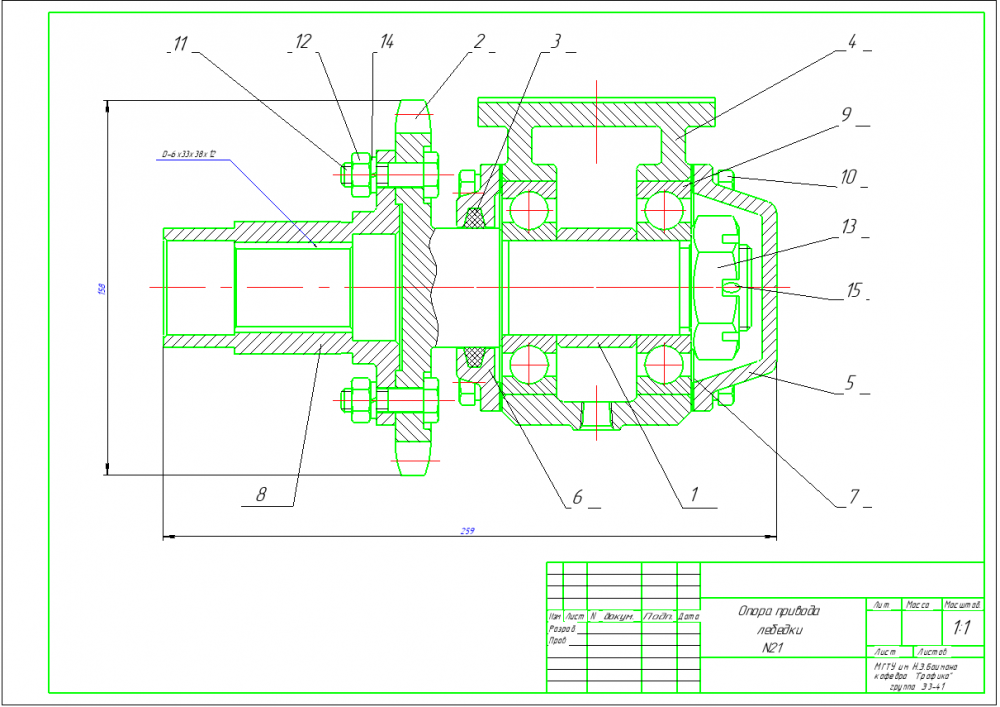
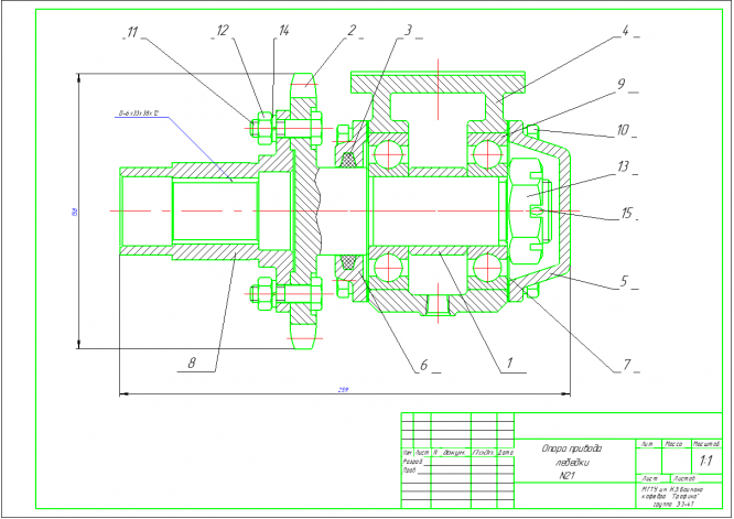
Для студентов МГТУ им. Н.Э.Баумана по предмету Инженерная графикаОпора привода лебедкиОпора привода лебедки
4,96529629
2015-10-092024-10-04СтудИзба
ДЗ: Опора привода лебедки вариант 21
-50%
Описание
Файлы условия, демо
Характеристики домашнего задания
Предмет
Учебное заведение
Семестр
Вариант
Программы
Просмотров
1167
Качество
Идеальное компьютерное
Размер
40,05 Kb
Список файлов
21
Сборка.frw
Спецификация.frw

Вам все понравилось? Получите кэшбэк - 40 рублей на Ваш счёт при покупке. Поставьте оценку и напишите положительный комментарий к купленному файлу. После Вы получите деньги на ваш счет.