📝Экзамен квалификационный ПМ.02 (Чертежник-конструктор)
Описание
Чертеж детали – это…
документ, на котором содержится только главный вид детали и ее аксонометрическая проекция
конструкторский документ, содержащий изображение детали и другие данные, необходимые для ее изготовления и контроля
конструкторский документ, на котором изображена прямоугольная изометрия детали
конструкторский документ, на котором изображены основные виды детали
Основную надпись на чертежах располагают...
в правом верхнем углу при горизонтальной ориентации листа
в левом нижнем углу при вертикальной ориентации листа
в правом нижнем углу при горизонтальной ориентации листа
в правом нижнем углу при любой ориентации листа
Размер формата А4 составляет...
594х841
420х594
210х297
297х420
Наименования, обозначения и типы элементов функциональной схемы вписываются …
в любое место на чертеже
в спецификацию
в прямоугольники или около графических обозначений
в таблицу рядом с основной надписью
Установите соответствие типов линий и ее толщины в соответствии с требованиями ГОСТ 2.303-68
A. сплошная тонкая
B. сплошная толстая основная
C. штрихпунктирная утолщенная
D. разомкнутая
E. от S/3 до S/2
F. от 0,5 до 1,4 мм
G. от S/3 до 2/3 S
H. от S до 1,5 S
Штрихпунктирная тонкая линия предназначена для вычерчивания …
осевых линий
видимого контура
невидимого контура
центровых линий
Установите в правильной последовательности выполнение рабочего чертежа детали
1 анализ детали, ее формы и размеров, определение количества изображений
2 вычерчивание контуров детали
3 выбор масштаба чертежа
4 вычерчивание осей и центров
5 обводка контуров
6 выполнение всех необходимых разрезов и сечений, нанесение необходимой штриховки на изображения
7 вычерчивание внутренних элементов детали
8 расстановка размеров
Документ, определяющий состав сборочной единицы, комплекса или комплекта, называется…
изделием
спецификацией
пояснительной запиской
ведомостью спецификаций
Установите в правильной последовательности выполнение чертежа сечения детали
1 анализ детали
2 вычерчивание осей и центров
3 вычерчивание контуров
4 вычерчивание элементов, попадающих в плоскость сечения
5 расстановка размеров
6 заштриховывание
7 обводка контуров
Установите соответствие между чертежом и условностями, используемыми на рабочих чертежах детали
A. 1
B. 2
C. 3
D. 4
E. упрощенное изображение симметричной фигуры
F. упрощенное изображение длинных деталей
G. упрощенное изображение отверстия и шпоночного паза
H. упрощенное изображение шпилечного соединения
Линии, которые используются в качестве размерных, – это …
центровые линии
осевые линии
сплошные тонкие линии
На рисунках б) и г) показаны...
главный вид и вид сверху
главный вид и вид слева
вид справа и слева
вид прямо и сзади
Установите в правильной последовательности выполнение чертежа сварного соединения деталей
1 анализ соединяемых деталей
2 выбор вида сварного соединения
3 вычерчивание осей и центров
4 вычерчивание контуров деталей в сборе
5 вычерчивание внутренних элементов деталей
6 расстановка размеров и условного обозначения сварных швов
7 обводка контуров
На чертеже показано … соединение деталей 1 и 2
резьбовое
сварное
заклепочное
шпоночное
Элементы тонких стенок, ребер жесткости на разрезе детали …
выделяются штриховой линией
заштриховываются в другую сторону
не заштриховываются
выделяются штрихпунктирной линией
Установите в правильной последовательности название конструктивно-технологических элементов детали «Вал»
1 Галтель
2 Проточка
3 Шпоночный паз
4 Отверстие центровое
5 Фаска
6 Буртик
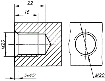
Назовите основной параметр резьбы, указанный на чертеже
шаг резьбы
длина резьбы
размер профиля резьбы
длина витка резьбы
Натуральным называется масштаб …
201
14
175
11
Установите соответствие между названием документа и его определением
A. Чертеж детали
B. Чертеж общего вида
C. Сборочный чертеж
D. Спецификация
E. Содержит изображение детали и другие данные, необходимые для ее изготовления и контроля
F. Определяет конструкцию изделия, взаимодействие его составных частей и поясняет принцип работы изделия
G. Содержит изображение изделия и другие данные, необходимые для его сборки и контроля
H. Определяет состав сборочной единицы, комплекса или комплекта
Неразъемные соединения – это …
подвижные соединения
соединения, разъединение которых невозможно без разрушения соединяемых деталей
соединения, которые разъединяются без повреждения деталей
неподвижные соединения
Установите соответствие между шифрами и названиями чертежей
A. СБ
B. ВО
C. ГЧ
D. МЧ
E. Сборочный чертеж
F. Чертеж общего вида
G. Габаритный чертеж
H. Монтажный чертеж
Положение, в котором вычерчивают на схеме условные графические обозначения элементов схем – …
в положении параллельном основной надписи
в положении, в котором они изображаются в соответствующих стандартах, либо повернутыми на угол, кратный 90° по отношению к этому положению
в положении, удобном для чтения
Установите соответствие условных знаков и их названий
A. 1
B. 2
C. 3
D. 4
E. диаметр
F. квадрат
G. повернуто
H. конусность
Расстояние между размерной линией и линией контура изображения на чертеже не менее …
5 мм
15 мм
10 мм
7 мм
Установите соответствие между цифровым обозначением и типом схемы согласно ГОСТ
A. 2
B. 3
C. 1
D. 6
E. 4
F. 5
G. Функциональные
H. Принципиальные
I. Структурные
J. Соединений(монтажные)
K. Подключения
L. Общие
Расстояние между соседними параллельными линиями связи - …
не менее 3 мм
не менее 5 мм
10 мм
Установите соответствие размеров листа по ГОСТ 2.301-68
A. А1
B. А4
C. А2
D. А3
E. 594 х 841
F. 210 х 297
G. 420 х 594
H. 297 х 420
Совокупность неровностей поверхности с относительно малыми шагами на базовой длине, называется …
допуском формы
шероховатостью поверхности
посадкой
отклонением формы
Укажите букву рисунка, на котором показан чертеж с правильно проставленными линейными размерами
А
Б
В
Г
Укажите рисунок, на котором изображена резьба трапецеидальная.
1
2
3
4
Укажите рисунок, на котором правильно обозначена метрическая резьба.
1
2
3
4
Установите в правильной последовательности чтение сборочного чертежа
1 установить назначение и принцип работы изделия
2 определить изображения на чертеже, прочитать технические требования и другие надписи
3 прочитать спецификацию, отыскивая на чертеже изображения указанных деталей
4 уточнить формы деталей, используя проекционные связи
5 определить способы соединений деталей (резьба, сварка, развальцовка и т.д.)
6 определить указанные размеры, предельные отклонения, посадки
7 установить порядок разборки и сборки составных частей и изделия в целом
Установите соответствие между буквенным обозначением и видом схемы
A. Г
B. К
C. Э
D. П
E. В
F. Гидравлические
G. Кинематические
H. Электрические
I. Пневматические
J. Вакуумные
Установите соответствие между изображением обозначения размеров, показанных на рисунке, и их названием
A. 1
B. 2
C. 3
D. 4
E. обозначение окружности
F. обозначение радиуса
G. обозначение фаски
H. обозначение уклона
В разрезе соприкасающиеся детали на сборочном чертеже …
штрихуются одинаково
штрихуются с разным расстоянием между штриховыми линиями, штриховые линии располагают в разном направлении
штрихуются с разным наклоном штриховых линий
Установите соответствие между чертежом и условностями, используемых на рабочих чертежах детали
A. 1
B. 2
C. 3
D. 4
E. условное обозначения плоской поверхности на детали
F. упрощенное изображение болтового соединения деталей
G. условное изображение ребер жесткости на чертеже
H. условное выполнение одинаковых равномерно расположенных отверстий на детали
Установить соответствие выполненных на чертеже между проекцией сечений и частью детали
A. 1
B. 2
C. 3
D. 4
E. В – В
F. А – А
G. Г – Г
H. Б – Б
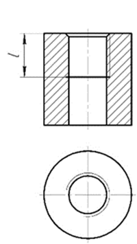
Выберите резьбу, изображенную на чертеже.
трубная резьба в отверстии
трапецеидальная резьба на стержне
метрическая резьба в отверстии
прямоугольная резьба на стержне
Установите в правильной последовательности выполнение чертежа шпилечного соединения деталей
1 анализ соединяемых деталей
2 выбор диаметра и длины шпильки
3 выбор вкручиваемой части резьбы шпильки по материалу
4 вычерчивание осей и центров
5 вычерчивание контуров деталей в сборе главного вида
6 вычерчивание остальных элементов деталей
7 вычерчивание контуров деталей второго вида
8 нанесение штриховок на разрез
9 расстановка размеров
10 обводка контуров
Детали, имеющие форму тел вращения, на рабочих чертежах изображают...
произвольно расположенными
с горизонтально расположенной осью вращения
с вертикально расположенной осью вращения
с осью вращения под прямым углом к основной надписи
На рисунке представлен…
фронтальный разрез
вид слева
горизонтальный разрез
дополнительный вид
Неверно, что в соответствии с требованиями ГОСТ ЕСКД на чертеже используется масштаб...
12
13
15
12,5
Для изображения предметов на чертежах используется метод…
перспективного удаления
прямоугольного проецирования
технического редактирования
пространственного представления
Установите в правильной последовательности выполнение трех основныз видов детали по ее аксонометрической проекции
1 вычерчивание главного вида (вида спереди)
2 вычерчивание вида сверху под главным видом в проекционной связи
3 анализ детали и определение главного вида
4 построение в проекционной связи вида слева
5 простановка размеров на изображениях
6 обводка изображений
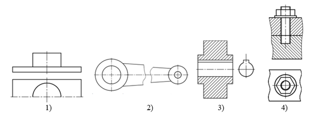
На рисунке показано …
болтовое соединение
сварное соединение
заклепочное соединение
винтовое соединение
Установите в правильной последовательности выполнение чертежа детали
1 выбор масштаба
2 вычерчивание осей и центров
3 вычерчивание контуров
4 вычерчивание внутренних элементов
5 расстановка размеров
6 нанесение надписей
7 обводка контуровПоказать/скрыть дополнительное описание
Экзамен квалификационный ПМ.02 (Чертежник-конструктор) Чертеж детали – это… документ, на котором содержится только главный вид детали и ее аксонометрическая проекция конструкторский документ, содержащий изображение детали и другие данные, необходимые для ее изготовления и контроля конструкторский документ, на котором изображена прямоугольная изометрия детали конструкторский документ, на котором изображены основные виды детали Основную надпись на чертежах располагают... в правом верхнем углу при горизонтальной ориентации листа в левом нижнем углу при вертикальной ориентации листа в правом нижнем углу при горизонтальной ориентации листа в правом нижнем углу при любой ориентации листа Размер формата А4 составляет...
594х841 420х594 210х297 297х420 Наименования, обозначения и типы элементов функциональной схемы вписываются … в любое место на чертеже в спецификацию в прямоугольники или около графических обозначений в таблицу рядом с основной надписью Установите соответствие типов линий и ее толщины в соответствии с требованиями ГОСТ 2.303-68 A. сплошная тонкая B. сплошная толстая основная C. штрихпунктирная утолщенная D. разомкнутая E. от S/3 до S/2 F. от 0,5 до 1,4 мм G. от S/3 до 2/3 S H. от S до 1,5 S Штрихпунктирная тонкая линия предназначена для вычерчивания … осевых линий видимого контура невидимого контура центровых линий Установите в правильной последовательности выполнение рабочего чертежа детали 1 анализ детали, ее формы и размеров, определение количества изображений 2 вычерчивание контуров детали 3 выбор масштаба чертежа 4 вычерчивание осей и центров 5 обводка контуров 6 выполнение всех необходимых разрезов и сечений, нанесение необходимой штриховки на изображения 7 вычерчивание внутренних элементов детали 8 расстановка размеров Документ, определяющий состав сборочной единицы, комплекса или комплекта, называется… изделием спецификацией пояснительной запиской ведомостью спецификаций Установите в правильной последовательности выполнение чертежа сечения детали 1 анализ детали 2 вычерчивание осей и центров 3 вычерчивание контуров 4 вычерчивание элементов, попадающих в плоскость сечения 5 расстановка размеров 6 заштриховывание 7 обводка контуров Установите соответствие между чертежом и условностями, используемыми на рабочих чертежах детали A.
1 B. 2 C. 3 D. 4 E. упрощенное изображение симметричной фигуры F. упрощенное изображение длинных деталей G. упрощенное изображение отверстия и шпоночного паза H. упрощенное изображение шпилечного соединения Линии, которые используются в качестве размерных, – это … центровые линии осевые линии сплошные тонкие линии На рисунках б) и г) показаны... главный вид и вид сверху главный вид и вид слева вид справа и слева вид прямо и сзади Установите в правильной последовательности выполнение чертежа сварного соединения деталей 1 анализ соединяемых деталей 2 выбор вида сварного соединения 3 вычерчивание осей и центров 4 вычерчивание контуров деталей в сборе 5 вычерчивание внутренних элементов деталей 6 расстановка размеров и условного обозначения сварных швов 7 обводка контуров На чертеже показано … соединение деталей 1 и 2 резьбовое сварное заклепочное шпоночное Элементы тонких стенок, ребер жесткости на разрезе детали … выделяются штриховой линией заштриховываются в другую сторону не заштриховываются выделяются штрихпунктирной линией Установите в правильной последовательности название конструктивно-технологических элементов детали «Вал» 1 Галтель 2 Проточка 3 Шпоночный паз 4 Отверстие центровое 5 Фаска 6 Буртик Назовите основной параметр резьбы, указанный на чертеже шаг резьбы длина резьбы размер профиля резьбы длина витка резьбы Натуральным называется масштаб … 201 14 175 11 Установите соответствие между названием документа и его определением A.
Чертеж детали B. Чертеж общего вида C. Сборочный чертеж D. Спецификация E. Содержит изображение детали и другие данные, необходимые для ее изготовления и контроля F. Определяет конструкцию изделия, взаимодействие его составных частей и поясняет принцип работы изделия G. Содержит изображение изделия и другие данные, необходимые для его сборки и контроля H. Определяет состав сборочной единицы, комплекса или комплекта Неразъемные соединения – это … подвижные соединения соединения, разъединение которых невозможно без разрушения соединяемых деталей соединения, которые разъединяются без повреждения деталей неподвижные соединения Установите соответствие между шифрами и названиями чертежей A.
СБ B. ВО C. ГЧ D. МЧ E. Сборочный чертеж F. Чертеж общего вида G. Габаритный чертеж H. Монтажный чертеж Положение, в котором вычерчивают на схеме условные графические обозначения элементов схем – … в положении параллельном основной надписи в положении, в котором они изображаются в соответствующих стандартах, либо повернутыми на угол, кратный 90° по отношению к этому положению в положении, удобном для чтения Установите соответствие условных знаков и их названий A. 1 B. 2 C. 3 D. 4 E. диаметр F. квадрат G. повернуто H. конусность Расстояние между размерной линией и линией контура изображения на чертеже не менее … 5 мм 15 мм 10 мм 7 мм Установите соответствие между цифровым обозначением и типом схемы согласно ГОСТ A.
2 B. 3 C. 1 D. 6 E. 4 F. 5 G. Функциональные H. Принципиальные I. Структурные J. Соединений(монтажные) K. Подключения L. Общие Расстояние между соседними параллельными линиями связи - … не менее 3 мм не менее 5 мм 10 мм Установите соответствие размеров листа по ГОСТ 2.301-68 A. А1 B. А4 C. А2 D. А3 E. 594 х 841 F. 210 х 297 G. 420 х 594 H. 297 х 420 Совокупность неровностей поверхности с относительно малыми шагами на базовой длине, называется … допуском формы шероховатостью поверхности посадкой отклонением формы Укажите букву рисунка, на котором показан чертеж с правильно проставленными линейными размерами А Б В Г Укажите рисунок, на котором изображена резьба трапецеидальная.
1 2 3 4 Укажите рисунок, на котором правильно обозначена метрическая резьба. 1 2 3 4 Установите в правильной последовательности чтение сборочного чертежа 1 установить назначение и принцип работы изделия 2 определить изображения на чертеже, прочитать технические требования и другие надписи 3 прочитать спецификацию, отыскивая на чертеже изображения указанных деталей 4 уточнить формы деталей, используя проекционные связи 5 определить способы соединений деталей (резьба, сварка, развальцовка и т.д.) 6 определить указанные размеры, предельные отклонения, посадки 7 установить порядок разборки и сборки составных частей и изделия в целом Установите соответствие между буквенным обозначением и видом схемы A.
Г B. К C. Э D. П E. В F. Гидравлические G. Кинематические H. Электрические I. Пневматические J. Вакуумные Установите соответствие между изображением обозначения размеров, показанных на рисунке, и их названием A. 1 B. 2 C. 3 D. 4 E. обозначение окружности F. обозначение радиуса G. обозначение фаски H. обозначение уклона В разрезе соприкасающиеся детали на сборочном чертеже … штрихуются одинаково штрихуются с разным расстоянием между штриховыми линиями, штриховые линии располагают в разном направлении штрихуются с разным наклоном штриховых линий Установите соответствие между чертежом и условностями, используемых на рабочих чертежах детали A. 1 B. 2 C. 3 D. 4 E.
условное обозначения плоской поверхности на детали F. упрощенное изображение болтового соединения деталей G. условное изображение ребер жесткости на чертеже H. условное выполнение одинаковых равномерно расположенных отверстий на детали Установить соответствие выполненных на чертеже между проекцией сечений и частью детали A. 1 B. 2 C. 3 D. 4 E. В – В F. А – А G. Г – Г H. Б – Б Выберите резьбу, изображенную на чертеже. трубная резьба в отверстии трапецеидальная резьба на стержне метрическая резьба в отверстии прямоугольная резьба на стержне Установите в правильной последовательности выполнение чертежа шпилечного соединения деталей 1 анализ соединяемых деталей 2 выбор диаметра и длины шпильки 3 выбор вкручиваемой части резьбы шпильки по материалу 4 вычерчивание осей и центров 5 вычерчивание контуров деталей в сборе главного вида 6 вычерчивание остальных элементов деталей 7 вычерчивание контуров деталей второго вида 8 нанесение штриховок на разрез 9 расстановка размеров 10 обводка контуров Детали, имеющие форму тел вращения, на рабочих чертежах изображают...
произвольно расположенными с горизонтально расположенной осью вращения с вертикально расположенной осью вращения с осью вращения под прямым углом к основной надписи На рисунке представлен… фронтальный разрез вид слева горизонтальный разрез дополнительный вид Неверно, что в соответствии с требованиями ГОСТ ЕСКД на чертеже используется масштаб... 12 13 15 12,5 Для изображения предметов на чертежах используется метод… перспективного удаления прямоугольного проецирования технического редактирования пространственного представления Установите в правильной последовательности выполнение трех основныз видов детали по ее аксонометрической проекции 1 вычерчивание главного вида (вида спереди) 2 вычерчивание вида сверху под главным видом в проекционной связи 3 анализ детали и определение главного вида 4 построение в проекционной связи вида слева 5 простановка размеров на изображениях 6 обводка изображений На рисунке показано … болтовое соединение сварное соединение заклепочное соединение винтовое соединение Установите в правильной последовательности выполнение чертежа детали 1 выбор масштаба 2 вычерчивание осей и центров 3 вычерчивание контуров 4 вычерчивание внутренних элементов 5 расстановка размеров 6 нанесение надписей 7 обводка контуров .
Список вопросов











Эти вопросы в других коллекциях
Характеристики ответов (шпаргалок) к экзамену

