Для студентов МГТУ им. Н.Э.Баумана по предмету Инженерная графикаВариант 3 - РК №1Вариант 3 - РК №1
4,38534
2021-01-252021-01-25СтудИзба
Ответы к контрольной работе: Вариант 3 - РК №1 вариант 3
Описание
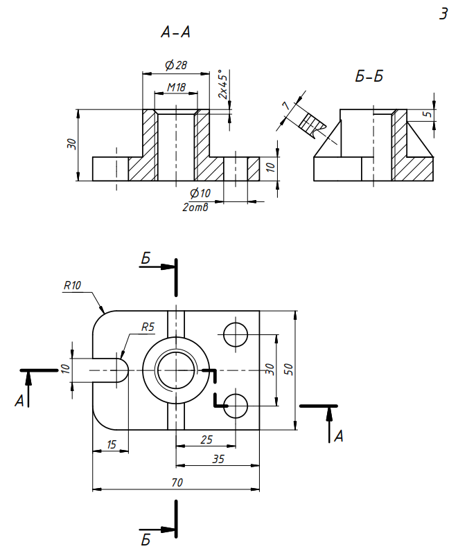
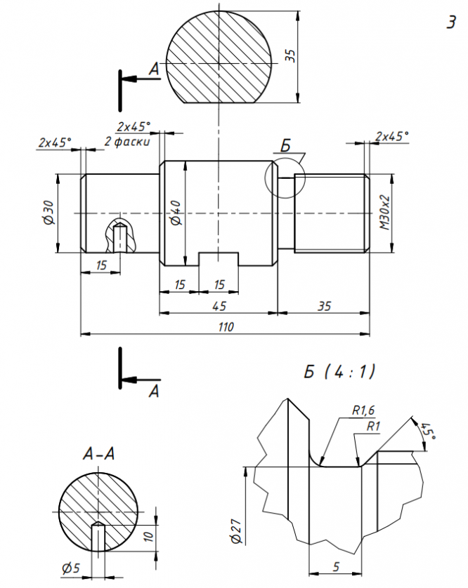
Условия 3 Варианта с РК1 и openedu, не забывайте заполнить основную надпись! Удачи в учёбе!
Доп с openedu:
![]()






Характеристики ответов (шпаргалок) к КР
Предмет
Учебное заведение
Семестр
Вариант
Просмотров
155
Размер
3,33 Mb
Список файлов
3Вал.idw
3Вал.ipt
3Вал.pdf
3Основание.idw
3Основание.ipt
3Основание.pdf
3Пирамида.idw
3Пирамида.ipt
3Пирамида.pdf
3Призма.idw
3Призма.ipt
3Призма.pdf
3Шар.idw
3Шар.ipt
3Шар.pdf
ДЗ№3_openedu .idw
ДЗ№3_openedu .pdf
ДЗ№3_openedu.ipt
Условие Вал 3.pdf
Условие ДЗ№3_openedu.pdf
Условие Основание 3.pdf
Условие Пирамида 1-4.pdf
Условие Призма 1-4.pdf
Условие Шар 1-6.pdf