Для студентов МГТУ им. Н.Э.Баумана по предмету Инженерная графикаРешенный билетРешенный билет
4,405101
2019-11-102019-11-10СтудИзба
Ответы к контрольной работе 3: Решенный билет вариант 16
Описание
Решение Рубежного Контроля №3(РК3) в PDF.
Здесь представлен чистовик, а также ПОСТРОЕНИЯ. То есть с таким файлом можно с лёгкостью решить РК, даже если полный ноль в инженерке.
Скачай 4 вариант(бесплатный) и посмотри, каким образом сделаны остальные варианты.
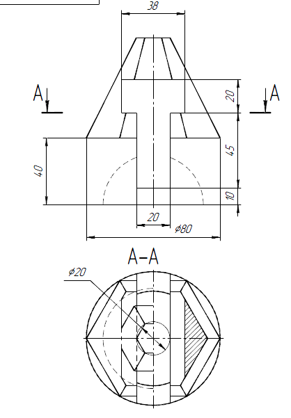
Сделано вот по этому заданию:

Электронный чертёж с построением
Хочу обратить твоё внимание на подробное описание построения. Это что-то между покупками электронного чертежа и бумажного. С данной услугой ты сможешь за адекватные деньги сам сделать чертёж, даже если совсем не шаришь в инженерке.
Смысл в том, что я указываю на чертеже все размеры парами. Откуда их взять и куда поставить.
Обычно у людей возникает проблема с третьим видом и с разрезами. С таким чертежом достаточно на неизвестном участке найти цифру размера. А потом поискать такую же цифру на остальных видах. Как только она найдена, ты знаешь, откуда его откладывать.
Удачи в сдаче!
Характеристики ответов (шпаргалок) к КР
Предмет
Учебное заведение
Семестр
Номер задания
Вариант
Просмотров
466
Качество
Идеальное компьютерное
Размер
412,94 Kb
Список файлов
Деталь16(построения).pdf
Деталь16(построения1).pdf
Деталь16.pdf
Комментарии
Отзыв
.
МГТУ им. Н.Э.Баумана
Чертёжник

















