Для студентов МГТУ им. Н.Э.Баумана по предмету Инженерная графикаРешенный билетРешенный билет
2019-10-282019-10-28СтудИзба
Ответы к контрольной работе 2: Решенный билет вариант 23
Описание
Электронный чертёж в PDF+Объяснения(построения)
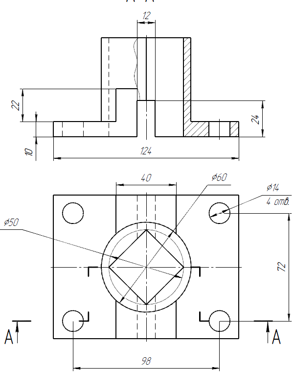
вот по такому заданию:
![]()
вот по такому заданию:

Характеристики ответов (шпаргалок) к КР
Предмет
Учебное заведение
Семестр
Номер задания
Вариант
Просмотров
1697
Качество
Идеальное компьютерное
Размер
283,09 Kb
Список файлов
Комментарии
Нет комментариев
Стань первым, кто что-нибудь напишет!
МГТУ им. Н.Э.Баумана
Чертёжник


















