Главная » Учебные материалы » ГИПСТИТТМИО » Решения задач » РГАУ — МСХА им. К. А. Тимирязева » Несколько классов/семестров » Номер 4.4 » Вариант 3 » В объемном гидроприводе применяется гидромотор с рабочим объемом V0. При падении давления масла в гидролиниях – напорной Δрн и сливной Δрсл и утечке масла в гидроаппаратуре Qут выходной вал гидромотора развивает полезный крутящий момент М, частоту вр
Для студентов РГАУ — МСХА им. К. А. Тимирязева по предмету ГИПСТИТТМИОВ объемном гидроприводе применяется гидромотор с рабочим объемом V0. При падении давления масла в гидролиниях – напорной Δрн и сливной Δрсл и утечке мВ объемном гидроприводе применяется гидромотор с рабочим объемом V0. При падении давления масла в гидролиниях – напорной Δрн и сливной Δрсл и утечке м
5,00510
2024-07-09СтудИзба

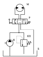
В объемном гидроприводе применяется гидромотор с рабочим объемом V0. При падении давления масла в гидролиниях – напорной Δрн и сливной Δрсл и утечке масла в гидроаппаратуре Qут выходной вал гидромотора развивает полезный крутящий момент М, частоту вр

Описание

В объемном гидроприводе применяется гидромотор с рабочим объемом V0. При падении давления масла в гидролиниях – напорной Δрн и сливной Δрсл и утечке масла в гидроаппаратуре Qут выходной вал гидромотора развивает полезный крутящий момент М, частоту вращения n.

Определить мощность N, потребляемую объемным гидроприводом.

Гидромеханический КПД гидромотора ηгм=0,9, объемный КПД ηоб=0,98, общий КПД насоса ηн=0,8.

Дано: V0=63 см3; Δрн=0,12 МПа; Δрсл=0,42 МПа;Qут=0,14 л/мин; М=49 Н∙м; n = 648 об/мин.

Характеристики решённой задачи

Номер задания
Вариант
Программы
Просмотров
239
Качество
Идеальное компьютерное
Размер
36,79 Kb

Список файлов

Картинка-подпись

Комментарии

Нет комментариев
Стань первым, кто что-нибудь напишет!
Поделитесь ссылкой:
Цена: 79 руб.
Расширенная гарантия +3 недели гарантии, +10% цены
Рейтинг покупателей
5 из 5
Поделитесь ссылкой:
Сопутствующие материалы
Решу любую задачу
Посредством пневмоцилиндра двустороннего действия задняя бабка токарного станка перемещается. Масса бабки вместе с инструментом составляет m, а полезная нагрузка (усилие резания) при выполнении рабочей операции Fпол. Давление питания пневмосети Ризб,
Насос подает воду (ρ=1000 кг/м3) по трубопроводу диаметром d=150 мм на высоту h=30 м (рис. 9.2). Определить КПД насоса, если потребляемая им мощность N=9 кВт, полный коэффициент сопротивления трубопровода (λl/d+Σζ)=30, а подача насоса Q=72 м3/ч.
В гидроцилиндре диаметром D поршень и шток уплотняют кольцами квадратного сечения из маслостойкой резины. Насос развивает постоянную подачу Qн. С учетом утечки масла в гидроаппаратуре в количестве ΔQ определить минимальное значение диаметра d штока
Центробежный насос используется для поднятия воды из колодца. Чему будет равна геометрическая высота всасывания насоса hs, если вакуумметрическая высота Рвак/γ. Диаметр всасывающей трубы d, а ее длина l. Производительность насоса Q. Коэффициенты мест
В объемном гидроприводе гидроцилиндр диаметром D развивает толкающее усилие F при скорости движения поршня υ. Диаметр штока гидроцилиндра d. Падение давления в напорной гидролинии ΔPн. Утечка масла в гидроаппаратуре ΔQ. Определить мощность, потребля

Подобрали для Вас услуги

-17%
Вы можете использовать решённую задачу для примера, а также можете ссылаться на неё в своей работе. Авторство принадлежит автору работы, поэтому запрещено копировать текст из этой работы для любой публикации, в том числе в свою задачу в учебном заведении, без правильно оформленной ссылки. Читайте как правильно публиковать ссылки в своей работе.
Свежие статьи
Популярно сейчас
Зачем заказывать выполнение своего задания, если оно уже было выполнено много много раз? Его можно просто купить или даже скачать бесплатно на СтудИзбе. Найдите нужный учебный материал у нас!
Ответы на популярные вопросы
Да! Наши авторы собирают и выкладывают те работы, которые сдаются в Вашем учебном заведении ежегодно и уже проверены преподавателями.
Да! У нас любой человек может выложить любую учебную работу и зарабатывать на её продажах! Но каждый учебный материал публикуется только после тщательной проверки администрацией.
Вернём деньги! А если быть более точными, то автору даётся немного времени на исправление, а если не исправит или выйдет время, то вернём деньги в полном объёме!
Да! На равне с готовыми студенческими работами у нас продаются услуги. Цены на услуги видны сразу, то есть Вам нужно только указать параметры и сразу можно оплачивать.
Отзывы студентов
Ставлю 10/10
Все нравится, очень удобный сайт, помогает в учебе. Кроме этого, можно заработать самому, выставляя готовые учебные материалы на продажу здесь. Рейтинги и отзывы на преподавателей очень помогают сориентироваться в начале нового семестра. Спасибо за такую функцию. Ставлю максимальную оценку.
Лучшая платформа для успешной сдачи сессии
Познакомился со СтудИзбой благодаря своему другу, очень нравится интерфейс, количество доступных файлов, цена, в общем, все прекрасно. Даже сам продаю какие-то свои работы.
Студизба ван лав ❤
Очень офигенный сайт для студентов. Много полезных учебных материалов. Пользуюсь студизбой с октября 2021 года. Серьёзных нареканий нет. Хотелось бы, что бы ввели подписочную модель и сделали материалы дешевле 300 рублей в рамках подписки бесплатными.
Отличный сайт
Лично меня всё устраивает - и покупка, и продажа; и цены, и возможность предпросмотра куска файла, и обилие бесплатных файлов (в подборках по авторам, читай, ВУЗам и факультетам). Есть определённые баги, но всё решаемо, да и администраторы реагируют в течение суток.
Маленький отзыв о большом помощнике!
Студизба спасает в те моменты, когда сроки горят, а работ накопилось достаточно. Довольно удобный сайт с простой навигацией и огромным количеством материалов.
Студ. Изба как крупнейший сборник работ для студентов
Тут дофига бывает всего полезного. Печально, что бывают предметы по которым даже одного бесплатного решения нет, но это скорее вопрос к студентам. В остальном всё здорово.
Спасательный островок
Если уже не успеваешь разобраться или застрял на каком-то задание поможет тебе быстро и недорого решить твою проблему.
Всё и так отлично
Всё очень удобно. Особенно круто, что есть система бонусов и можно выводить остатки денег. Очень много качественных бесплатных файлов.
Отзыв о системе "Студизба"
Отличная платформа для распространения работ, востребованных студентами. Хорошо налаженная и качественная работа сайта, огромная база заданий и аудитория.
Отличный помощник
Отличный сайт с кучей полезных файлов, позволяющий найти много методичек / учебников / отзывов о вузах и преподователях.
Отлично помогает студентам в любой момент для решения трудных и незамедлительных задач
Хотелось бы больше конкретной информации о преподавателях. А так в принципе хороший сайт, всегда им пользуюсь и ни разу не было желания прекратить. Хороший сайт для помощи студентам, удобный и приятный интерфейс. Из недостатков можно выделить только отсутствия небольшого количества файлов.
Спасибо за шикарный сайт
Великолепный сайт на котором студент за не большие деньги может найти помощь с дз, проектами курсовыми, лабораторными, а также узнать отзывы на преподавателей и бесплатно скачать пособия.
Популярные преподаватели
Добавляйте материалы
и зарабатывайте!
Продажи идут автоматически
6933
Авторов
на СтудИзбе
266
Средний доход
с одного платного файла
Обучение Подробнее
{user_main_secret_data}