Для студентов РГАУ — МСХА им. К. А. Тимирязева по предмету ГИПСТИТТМИОВ гидроцилиндре диаметром D поршень и шток уплотняют кольцами квадратного сечения из маслостойкой резины. Насос развивает постоянную подачу Qн. С учетВ гидроцилиндре диаметром D поршень и шток уплотняют кольцами квадратного сечения из маслостойкой резины. Насос развивает постоянную подачу Qн. С учет
5,0058
2019-04-012024-07-09СтудИзба
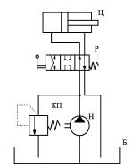
В гидроцилиндре диаметром D поршень и шток уплотняют кольцами квадратного сечения из маслостойкой резины. Насос развивает постоянную подачу Qн. С учетом утечки масла в гидроаппаратуре в количестве ΔQ определить минимальное значение диаметра d штока
Описание
В гидроцилиндре диаметром D поршень и шток уплотняют кольцами квадратного сечения из маслостойкой резины. Насос развивает постоянную подачу Qн.
С учетом утечки масла в гидроаппаратуре в количестве ΔQ определить минимальное значение диаметра d штока гидроцилиндра, при котором поршень перемещается влево со скоростью не менее υ.
Дано: D=0,2 м; ΔQ=150 см3/мин; υ=4,3 м/мин; Qн=50 л/мин.

Характеристики решённой задачи
Предмет
Учебное заведение
Номер задания
Вариант
Программы
Просмотров
171
Качество
Идеальное компьютерное
Размер
31,83 Kb
Список файлов
Задача .docx
