Главная » Учебные материалы » ГИПСТИТТМИО » Решения задач » РГАУ — МСХА им. К. А. Тимирязева » Несколько классов/семестров » Номер 2.4 » Вариант 3 » Для откачки грунтовых вод из колодца используют центробежный насос, производительность которого Q. При работе насоса уровень воды в колодце устанавливается на высоте h1 ниже оси насоса. Определить диаметр d1 всасывающей трубы и потребляемую насос
Для студентов РГАУ — МСХА им. К. А. Тимирязева по предмету ГИПСТИТТМИОДля откачки грунтовых вод из колодца используют центробежный насос, производительность которого Q. При работе насоса уровень воды в колодце устанавливДля откачки грунтовых вод из колодца используют центробежный насос, производительность которого Q. При работе насоса уровень воды в колодце устанавлив
5,0053
2024-07-09СтудИзба

Для откачки грунтовых вод из колодца используют центробежный насос, производительность которого Q. При работе насоса уровень воды в колодце устанавливается на высоте h1 ниже оси насоса. Определить диаметр d1 всасывающей трубы и потребляемую насос

Описание

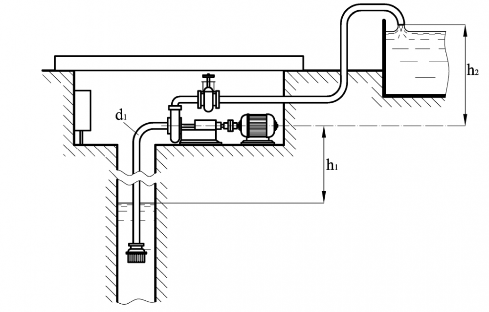
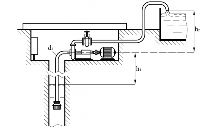
Для откачки грунтовых вод из колодца используют центробежный насос, производительность которого Q. При работе насоса уровень воды в колодце устанавливается на высоте h1 ниже оси насоса.

Определить диаметр d1 всасывающей трубы и потребляемую насосом мощность при полностью открытой задвижке на нагнетательной трубе.

Длина всасывающей и нагнетательной труб равны l1 и l2, соответственно. Диаметр нагнетательной трубы d2; выходное сечение этой трубы расположено на высоте h2 выше оси насоса; коэффициент гидравлического трения по длине трубопроводов λ=0,03, коэффициенты местных сопротивлений: всасывающей коробки с обратным клапаном ξк=5, плавного поворота трубопровода ξпов=0,4. КПД насоса принять равным η=0,75. Вакуумметрическая высота всасывания при входе воды в насос не должна превышать 7 м.

Дано: Q=40 м3/ч; h1=5 м; h2=0,55 м; d2=150 мм; l1=8 м; l2=6 м.

Характеристики решённой задачи

Номер задания
Вариант
Просмотров
176
Размер
79,57 Kb

Список файлов

Картинка-подпись

Комментарии

Нет комментариев
Стань первым, кто что-нибудь напишет!
Поделитесь ссылкой:
Цена: 80 руб.
Расширенная гарантия +3 недели гарантии, +10% цены
Рейтинг покупателей
5 из 5
Поделитесь ссылкой:
Сопутствующие материалы
Сравнить расход воды (ν = 10–2 Ст), турбинного масла (ν = 1 Ст) и цилиндрового масла (ν = 10 Ст) при температуре t = 20 ℃ по стальному трубопроводу длиной L = 200 м и диаметром D = 100 мм (шероховатость Δ = 0,1 мм) при одинаковом напоре H = 10 м.
Вода течёт по круглой горизонтальной гидравлически гладкой трубе диаметром d = 50 мм. Измеренный перепад давления между сечениями 1 и 2 на участке длиной l= 8 м составил Δp=12 кПа. Температура воды Т = 293 К. Определить среднюю по сечению скорость
Определить силу предварительного натяжения пружины Fпр дифференциального предохранительного (переливного) клапана объемного гидропривода, при которой клапан срабатывает и открывает доступ маслу из системы на слив, как только давление в системе достиг
Из напорного резервуара расположенного в точке A по трем параллельным трубопроводам подается вода в точку B
В дне цилиндрического резервуара, наполненного водой на высоту Н = 7,2 м, имеется круглое отверстие площадью ω=0,06 м2. В течение какого времени в атмосферу вытечет половина имеющегося объема воды, если площадь поперечного сечения резервуара Ω= 8,5м2
Вода вытекает в атмосферу из резервуара с постоянным уровнем по трубопроводу ( d1 ,l1 и d2 ,l2 ). Горизонтальный участок заглублен под уровень на H1 , наклонный участок имеет высоту H2 =18,0 м. Шероховатость стенок трубопровода Δ=0,50 мм, коэффициент

Подобрали для Вас услуги

-17%
Вы можете использовать решённую задачу для примера, а также можете ссылаться на неё в своей работе. Авторство принадлежит автору работы, поэтому запрещено копировать текст из этой работы для любой публикации, в том числе в свою задачу в учебном заведении, без правильно оформленной ссылки. Читайте как правильно публиковать ссылки в своей работе.
Свежие статьи
Популярно сейчас
Почему делать на заказ в разы дороже, чем купить готовую учебную работу на СтудИзбе? Наши учебные работы продаются каждый год, тогда как большинство заказов выполняются с нуля. Найдите подходящий учебный материал на СтудИзбе!
Ответы на популярные вопросы
Да! Наши авторы собирают и выкладывают те работы, которые сдаются в Вашем учебном заведении ежегодно и уже проверены преподавателями.
Да! У нас любой человек может выложить любую учебную работу и зарабатывать на её продажах! Но каждый учебный материал публикуется только после тщательной проверки администрацией.
Вернём деньги! А если быть более точными, то автору даётся немного времени на исправление, а если не исправит или выйдет время, то вернём деньги в полном объёме!
Да! На равне с готовыми студенческими работами у нас продаются услуги. Цены на услуги видны сразу, то есть Вам нужно только указать параметры и сразу можно оплачивать.
Отзывы студентов
Ставлю 10/10
Все нравится, очень удобный сайт, помогает в учебе. Кроме этого, можно заработать самому, выставляя готовые учебные материалы на продажу здесь. Рейтинги и отзывы на преподавателей очень помогают сориентироваться в начале нового семестра. Спасибо за такую функцию. Ставлю максимальную оценку.
Лучшая платформа для успешной сдачи сессии
Познакомился со СтудИзбой благодаря своему другу, очень нравится интерфейс, количество доступных файлов, цена, в общем, все прекрасно. Даже сам продаю какие-то свои работы.
Студизба ван лав ❤
Очень офигенный сайт для студентов. Много полезных учебных материалов. Пользуюсь студизбой с октября 2021 года. Серьёзных нареканий нет. Хотелось бы, что бы ввели подписочную модель и сделали материалы дешевле 300 рублей в рамках подписки бесплатными.
Отличный сайт
Лично меня всё устраивает - и покупка, и продажа; и цены, и возможность предпросмотра куска файла, и обилие бесплатных файлов (в подборках по авторам, читай, ВУЗам и факультетам). Есть определённые баги, но всё решаемо, да и администраторы реагируют в течение суток.
Маленький отзыв о большом помощнике!
Студизба спасает в те моменты, когда сроки горят, а работ накопилось достаточно. Довольно удобный сайт с простой навигацией и огромным количеством материалов.
Студ. Изба как крупнейший сборник работ для студентов
Тут дофига бывает всего полезного. Печально, что бывают предметы по которым даже одного бесплатного решения нет, но это скорее вопрос к студентам. В остальном всё здорово.
Спасательный островок
Если уже не успеваешь разобраться или застрял на каком-то задание поможет тебе быстро и недорого решить твою проблему.
Всё и так отлично
Всё очень удобно. Особенно круто, что есть система бонусов и можно выводить остатки денег. Очень много качественных бесплатных файлов.
Отзыв о системе "Студизба"
Отличная платформа для распространения работ, востребованных студентами. Хорошо налаженная и качественная работа сайта, огромная база заданий и аудитория.
Отличный помощник
Отличный сайт с кучей полезных файлов, позволяющий найти много методичек / учебников / отзывов о вузах и преподователях.
Отлично помогает студентам в любой момент для решения трудных и незамедлительных задач
Хотелось бы больше конкретной информации о преподавателях. А так в принципе хороший сайт, всегда им пользуюсь и ни разу не было желания прекратить. Хороший сайт для помощи студентам, удобный и приятный интерфейс. Из недостатков можно выделить только отсутствия небольшого количества файлов.
Спасибо за шикарный сайт
Великолепный сайт на котором студент за не большие деньги может найти помощь с дз, проектами курсовыми, лабораторными, а также узнать отзывы на преподавателей и бесплатно скачать пособия.
Популярные преподаватели
Добавляйте материалы
и зарабатывайте!
Продажи идут автоматически
6965
Авторов
на СтудИзбе
263
Средний доход
с одного платного файла
Обучение Подробнее
{user_main_secret_data}