Для студентов МГТУ им. Н.Э.Баумана по предмету ФизикаКолебанияКолебания
5,0053493
2025-09-092025-09-13СтудИзба
Задача 3: Колебания вариант 6
Описание
Механическая система для этой задачи расположена на горизонтальной плоскости и представлена на рис. 18. Значения массы шариков, длина и жёсткость, соединяющих их пружин, а также другие исходные данные приведены в табл.9. Определить:
- положение центра масс МС;
- жёсткость левой и правой частей пружины, длины которых равны l10 и l20;
- приведённую массу МС;
- круговую частоту и период собственных незатухающих колебаний.
Трением шариков о контактную горизонтальную плоскость пренебречь.
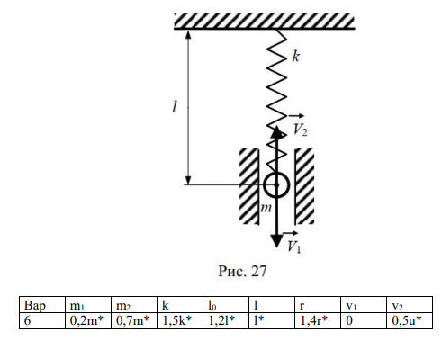
Дополнительно (в соответствии с общими условиями задачи 3) рассчитать все требуемые величины и вывести уравнение затухающих колебаний вертикального пружинного маятника (см. рис. 27), у которого масса шарика равна m = m1, а длина и жёсткость пружины равны соответственно l0 и k (см. табл.9). В начальный момент времени шарик смещают так, что длина пружины становится равной l, а затем кратковременным воздействием сообщают скорость v1 или v2 . В результате система приходит в колебательное движение в вертикальном направлении. Трением шарика о боковую поверхность пренебречь.
![]()
- положение центра масс МС;
- жёсткость левой и правой частей пружины, длины которых равны l10 и l20;
- приведённую массу МС;
- круговую частоту и период собственных незатухающих колебаний.
Трением шариков о контактную горизонтальную плоскость пренебречь.
Дополнительно (в соответствии с общими условиями задачи 3) рассчитать все требуемые величины и вывести уравнение затухающих колебаний вертикального пружинного маятника (см. рис. 27), у которого масса шарика равна m = m1, а длина и жёсткость пружины равны соответственно l0 и k (см. табл.9). В начальный момент времени шарик смещают так, что длина пружины становится равной l, а затем кратковременным воздействием сообщают скорость v1 или v2 . В результате система приходит в колебательное движение в вертикальном направлении. Трением шарика о боковую поверхность пренебречь.

Характеристики решённой задачи
Предмет
Учебное заведение
Семестр
Номер задания
Вариант
Программы
Просмотров
2
Качество
Идеальное компьютерное
Размер
388,15 Kb
Список файлов
Variant_6_-_Zadacha_3.pdf
Комментарии
Нет комментариев
Стань первым, кто что-нибудь напишет!
МГТУ им. Н.Э.Баумана
A45162


















