Для студентов по предмету ФизикаПо двум гладким медным шинам скользит невесомая перемычка, к которой приложена переменная сила F(t).По двум гладким медным шинам скользит невесомая перемычка, к которой приложена переменная сила F(t).
5,00514
2017-08-272017-08-27СтудИзба
Задача: По двум гладким медным шинам скользит невесомая перемычка, к которой приложена переменная сила F(t).
Описание
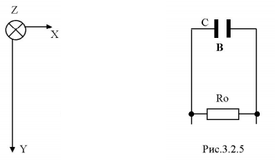
По двум гладким медным шинам скользит невесомая перемычка, к которой приложена переменная сила F(t). Сопротивление перемычки равно R0, поперечное сечение S, концентрация носителей заряда (электронов) в проводнике перемычки равна no. Перемычка замыкает электрическую цепь, состоящую из конденсатора емкости C, в соответствии с рисунком. Расстояние между шинами l. Система находится в однородном переменном магнитном поле с индукцией B(t), перпендикулярном плоскости, в которой перемещается перемычка. Сопротивления шин, скользящих контактов, а также самоиндукция контура пренебрежимо малы. Ускорение перемычки в начальный момент времени конечно, а положение ее определено и равно y(0)=y0.
Найти:
- закон изменения тока I(t)
- закон движения перемычки y=y(t)
- максимальное значение ymax
- законы изменения проекции силы Лоренца на ось x (Fлx) и на ось y (Fлy), действующей на электрон
- закон изменения напряженности электрического поля в перемычке E(t)
Установить связь между силой Ампера, действующей на перемычку, и силой Лоренца, действующей на все электроны в перемычке.
Построить зависимости тока через перемычку
![]()
Закон движения перемычки
![]()
Закон изменения магнитного поля
![]()
![]()
Найти:
- закон изменения тока I(t)
- закон движения перемычки y=y(t)
- максимальное значение ymax
- законы изменения проекции силы Лоренца на ось x (Fлx) и на ось y (Fлy), действующей на электрон
- закон изменения напряженности электрического поля в перемычке E(t)
Установить связь между силой Ампера, действующей на перемычку, и силой Лоренца, действующей на все электроны в перемычке.
Построить зависимости тока через перемычку

Закон движения перемычки

Закон изменения магнитного поля



Характеристики решённой задачи
Предмет
Просмотров
1544
Качество
Фото печатных листов
Размер
8,96 Mb
Список файлов
1.jpg
2.jpg
3.jpg
Комментарии
Нет комментариев
Стань первым, кто что-нибудь напишет!
























