Для студентов по предмету ФизикаИсследование линейных цепей постоянного тока с одним источником энергииИсследование линейных цепей постоянного тока с одним источником энергии
4,935241
2025-04-042025-04-04СтудИзба
Лабораторная работа: Исследование линейных цепей постоянного тока с одним источником энергии
Описание
Цель работы:
Формирование навыков измерения тока и напряжения на участках цепи; экспериментальная проверка законов Ома и Кирхгофа; проверка выполнения баланса мощностей.
Исследуемых электрических цепей:
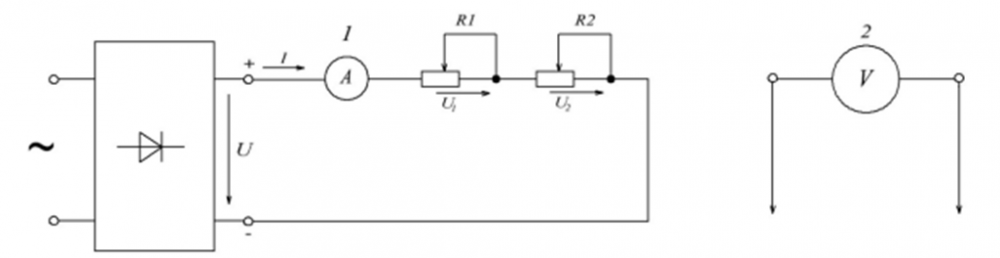
Рис. 1. Электрическая цепь с последовательным соединением резисторов.
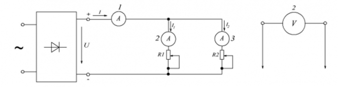
Рис. 2. Электрическая цепь с параллельным соединением резисторов.
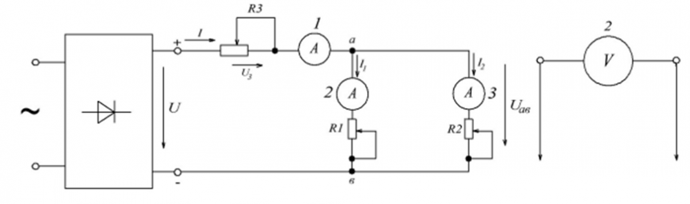
Рис. 3. Электрическая цепь со смешанным соединением резисторов.
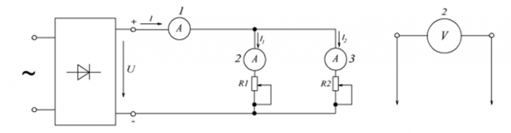
Используемое электротехническое оборудование:
Источник постоянного напряжения - выпрямитель I (II, III).
Амперметры А1, А2, А3 для измерения токов.
Вольтметр V2 для измерения напряжения на выходе выпрямителя и на участках исследуемой цепи.
Переменные резисторы R1, R2, R3.
Характеристики лабораторной работы
Предмет
Просмотров
5
Размер
74,41 Kb
Список файлов
образец ЛР 1.docx
Комментарии
Нет комментариев
Стань первым, кто что-нибудь напишет!
vitalievnatalia
















