Вопросы/задания к тесту/контрольной: Расчет материального и теплового баланса котельной установки
Описание
Оглавление
НА ВЫПОЛНЕНИЕ КОНТРОЛЬНОЙ РАБОТЫ.. 3
1.Расчет объемов воздуха и продуктов сгорания 6
2.Расчет энтальпий воздуха и продуктов сгорания 10
3.Расчет коэффициент полезного действия и потерь теплоты. 12
4. Определение расхода топлива 14
Список использованных источников 17
ЗАДАНИЕ
НА ВЫПОЛНЕНИЕ КОНТРОЛЬНОЙ РАБОТЫ
по дисциплине «Физические основы горения топлива»
Группа
Тема контрольной работы «Расчет материального и теплового баланса котельной установки»
Работа должна содержать следующие разделы:
- Расчет объемов воздуха и продуктов сгорания.
- Расчет энтальпий воздуха и продуктов сгорания.
- Расчет коэффициент полезного действия и потерь теплоты.
- Определение расхода топлива.
Исходные данные для выполнения работы приведены таблице 1.
Таблица 1 Исходных данных, необходимых для выполнения работы
№ | Месторожде- ние и марка топлива | Паропроиз- водительность котла, т/ч | Рабочее давление, МПа | Температура, оС | ||
перегретого пара | питательной воды | уходящих газов | ||||
20 | Бурый уголь Лианское 2Б | 120 | 40,0 | 440 | 145 | 150 |
Принцип работы котельной установки.
Принципиальная технологическая схема котельной установки, предназначенной для получения пара представлена на рисунке 1.

Рисунок 1. Принципиальная схема котельной установки, работающей на твердом топливе: 1 – топочная камера; 2 – бункер сырого угля; 3 – питатель сырого угля; 4 – углеразмольная мельница; 5 – пылепроводы; 6 – воздуховод горячего первичного воздуха; 7 – барабан котла; 8 – горелочные устройства; 9 – водоопускные трубы экранов; 10 – топочные экраны; 11 – радиационный (потолочный) пароперегреватель;12 – ширмовый пароперегреватель; 13 – конвективный пароперегреватель; 14 – водяной экономайзер; 15 – воздухоподогреватель; 16 – дутьевой вентилятор; 17 – золоулавливающее устройство; 18 – дымосос; 19 – канал гидрозоло(шлако)удаления; 20 – дымовая труба; 21 – шибер; 22 – воздуховод горячего вторичного воздуха; 23 – воздуховод холодного воздуха.
Твердое топливо со штабеля по станционному тракту топливоподачи подается в бункер сырого угля 2 (БСУ). Из БСУ 2 твердое топливо поступает в питатель сырого угля 3 (ПСУ) и ПСУ подает топливо на углеразмольную мельницу 4 вместе с сушильным агентом- горячим первичным воздухом из воздуховода 6. Образованная в мельнице сухая угольная пыль в смеси с горячим вторичным воздухом из воздуховода 22 (аэросмесь) подается на горелку 8 по пылепроводу 5.
В топке 1 котла происходит сжигание топлива и образование высокотемпературных продуктов сгорания, которые отдают свою теплоту поверхностям нагрева (10, 11, 12, 13, 14 и 15).
В воздухоподогревателе 5 осуществляется нагрев холодного воздуха вентилятором 6. Горячий воздух из воздухоподогревателя по воздуховоду первичного воздуха 6 подается в мельницу на сушку топлива и транспортировку угольной пыли в топку 1через горелку 8.
Из горелки 8 совместно с горячим вторичным воздухом (аэросмесь) в топку 1 котла.
В экономайзере 4 котла происходит подогрев питательной воды, поступающей в барабан 2 до температуры насыщения при установленном давлении. Из барабана вода подводится к парообразующим поверхностям нагрева 12 по водоопускным трубам 9, где преобразуется в насыщенный пар. Сухой насыщенный пар из барабана 2 поступает в пароперегреватель (последовательно в 11, 12 и 13), где перегревается до температуры, превышающей температуру насыщения, соответствующую давлению в котле. И далее перегретый пар направляется в паровую турбину.
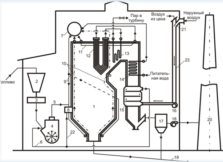
Технологическая схема котельной установки,
работающей на твердом органическом топливе
Рисунок 2. Технологическая
схема котельной установки, работающей на твердом органическом топливе: 1 – вагон с топливом; 2 – бункер разгрузочного устройства; 3 – дробилка; 4– бункер сырого угля; 5 – мельничное устройство; 6 – барабан; 7 – топочная камера; 8 –пароперегреватель; 9 – водяной экономайзер; 10 – воздухоподогреватель; 11 – дутьевой вентилятор; 12 – золоуловитель; 13 – дымосос; 14 – дымовая труба; 15 – багерный насос; 16 – ленточный транспортер; 17 – штабель угля; 18 – горелки; 19 – паровой котел; 20 – экраны; 21 – устройство шлакоудаления; 22 – деаэратор; 23 – питательный насос; 24 – мельничный вентилятор; а – питательная вода; б – перегретый пар; в – продукты сгорания; г – шлак и зола.
all_at_700












