Для студентов по предмету Электротехника (ЭлТех)Расчет цепи однофазного синусоидального тока символическим методомРасчет цепи однофазного синусоидального тока символическим методом
5,0053192
2025-02-242025-02-24СтудИзба
Задача: Расчет цепи однофазного синусоидального тока символическим методом
Описание
Для электрической цепи, соответствующей номеру варианта, выполнить следующее:
Заданы параметры цепи и напряжение на входе цепи
u = Umsin(wt +yu).
Требуется:
1. Определить токи и напряжения на всех участках цепи символическим методом .
2. Записать выражения для мгновенных значений всех токов и напряжений.
3. Сделать проверку правильности решения по законам Кирхгофа для момента времени t= 0.
4. Составить баланс активных и реактивных мощностей для цепи.
5. Построить временные диаграммы напряжения, тока и мощности на входе цепи в одних координатных осях.
6. Построить векторную диаграмму токов и напряжений для цепи.
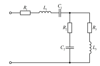
Числовые данные приведены в табл. 2.1, схемы показаны на рис. 2.1
Таблица 2.1
![]()
Заданы параметры цепи и напряжение на входе цепи
u = Umsin(wt +yu).
Требуется:
1. Определить токи и напряжения на всех участках цепи символическим методом .
2. Записать выражения для мгновенных значений всех токов и напряжений.
3. Сделать проверку правильности решения по законам Кирхгофа для момента времени t= 0.
4. Составить баланс активных и реактивных мощностей для цепи.
5. Построить временные диаграммы напряжения, тока и мощности на входе цепи в одних координатных осях.
6. Построить векторную диаграмму токов и напряжений для цепи.
Числовые данные приведены в табл. 2.1, схемы показаны на рис. 2.1
Таблица 2.1
R1, Ом | L1, мГн | C1, мкФ | R2, Ом | C2, мкФ | R3, Ом | L3, мГн | Um, В | yu, рад | f, Гц |
12 | 25 | 150 | 9 | 600 | 18 | 40 | 100√2 | π/3 | 50 |

Характеристики решённой задачи
Предмет
Просмотров
5
Качество
Идеальное компьютерное
Размер
340,38 Kb
Список файлов
7var (10-17).docx

Если нужен другой вариант работы или отдельная задача из любой работы, пишите в комментарии