Для студентов по предмету Электротехника (ЭлТех)Анализ линейной цепи синусоидального токаАнализ линейной цепи синусоидального тока
5,0053194
2024-12-092024-12-09СтудИзба
Задача: Анализ линейной цепи синусоидального тока
Описание
Для заданного варианта схемы цепи с параметрами активных элементов, указанных в таблице 2 и параметрами пассивных элементов из таблицы 3 выполнить:
4.2. Построить ТВДН для всех внутренних контуров и для внешнего контура.
4.3. Построить ВДТ.
4.4 Определить показания ваттметров.
4.5 Определить показания вольтметра.
4.6. Построить на одном графике i3(t), i5(t) ), i6(t) и i8(t). Проверить на построенном графике выполняемость первого закона Кирхгофа.
Таблица 1 – Варианты исходных данных
Таблиц 2 – Параметры активных элементов
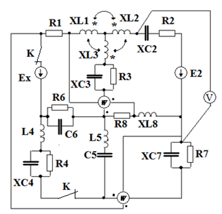
Рисунок 1. Исходная схема (№2) цепи
Таблица 3 – Вариант пассивных элементов
- Преобразовать схему к трехконтурному виду.
- Для преобразованной схемы выполнить анализ методом контурных токов и методом узловых потенциалов. Сравнить полученные результаты.
- Выполнить обратное преобразование схемы.
- Для исходной схемы:
4.2. Построить ТВДН для всех внутренних контуров и для внешнего контура.
4.3. Построить ВДТ.
4.4 Определить показания ваттметров.
4.5 Определить показания вольтметра.
4.6. Построить на одном графике i3(t), i5(t) ), i6(t) и i8(t). Проверить на построенном графике выполняемость первого закона Кирхгофа.
- При разомкнутых ключах К (ключи нормально замкнуты) подобрать C2 так, чтобы в R2 протекал максимальный ток.
- Для всех вариантов: f=50 Гц; M12=0,016 Гн; M13=0,032 Гн.
Таблица 1 – Варианты исходных данных
Вариант | Вариант активных элементов (таблица 2) | Вариант схемы | Вариант пассивных элементов (таблица 3) |
Группа 1 | |||
20 | 1 | 1 | 10 |
№ варианта | Ex | E2 |
1 | Ex(t)=141sin(wt+450) | E2(t)=100sin(wt+450) |

Таблица 3 – Вариант пассивных элементов
Вариант | R1, Ом | XL1, Ом | R2, Ом | XL2, Ом | XC2, Ом | R3, Ом | XC3, Ом | XL3, Ом |
10 | 7 | 5 | 3 | 3 | 4 | 4 | 3 | 2 |
Вариант | L4, Гн | XC4, Ом | R4, Ом | L5, Гн | C5, Ф | R6, Ом | C6, Ф |
10 | 1,27*10-02 | 3 | 5 | 1,59*10-02 | 1,06*10-03 | 4 | 7,96*10-04 |
Вариант | R7, Ом | XC7, Ом | R8, Ом | XL8, Ом | K23 | f, Гц | M12, Гн | M13, Гн |
10 | 6 | 6 | 2 | 4 | 1 | 50 | 0,016 | 0,032 |
Характеристики решённой задачи
Предмет
Просмотров
1
Качество
Идеальное компьютерное
Размер
944,85 Kb
Список файлов
modelVar20.xmcd
Синусоидальный ток Вариант 20 группа 1.docx

Если нужен другой вариант работы или отдельная задача из любой работы, пишите в комментарии