Для студентов УрФУ им. Ельцина по предмету Электротехника (ЭлТех)Контрольная работа № 1 Расчет линейных цепей постоянного токаКонтрольная работа № 1 Расчет линейных цепей постоянного тока
5,0051
2022-09-142022-09-14СтудИзба
Задача: Контрольная работа № 1 Расчет линейных цепей постоянного тока вариант 5, 55
Описание
Контрольная работа № 1 Расчет линейных цепей постоянного тока
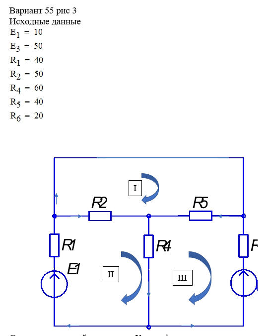
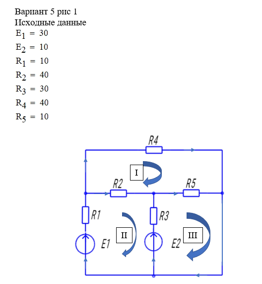
1. По заданному номеру варианта выбрать схему цепи и численные данные для расчета.
2. Рассчитать все токи в цепи классическим методом на основе законов Кирхгофа
3. Рассчитать все токи в цепи методом контурных токов
4. Сравнить полученные результаты
5. Произвести проверку расчетов с помощью баланса мощностей
![]()
1. По заданному номеру варианта выбрать схему цепи и численные данные для расчета.
2. Рассчитать все токи в цепи классическим методом на основе законов Кирхгофа
3. Рассчитать все токи в цепи методом контурных токов
4. Сравнить полученные результаты
5. Произвести проверку расчетов с помощью баланса мощностей


Файлы условия, демо
Характеристики решённой задачи
Предмет
Учебное заведение
Просмотров
13
Качество
Идеальное компьютерное
Размер
644,13 Kb
Список файлов
2 варианта.docx

Если нужен другой вариант работы или отдельная задача из любой работы, пишите в комментарии