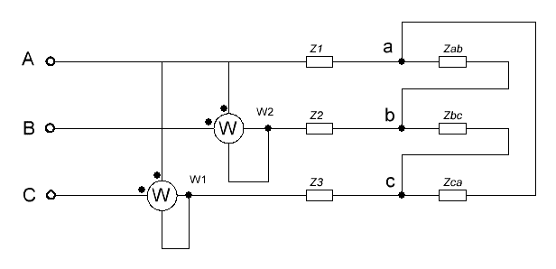
Для студентов по предмету Электротехника (ЭлТех)К симметричному трехфазному источнику подключена трехфазная несимметричная нагрузка соединенная треугольником (рис. 3). Сопротивления проводников линиК симметричному трехфазному источнику подключена трехфазная несимметричная нагрузка соединенная треугольником (рис. 3). Сопротивления проводников лини
5,00510
2021-11-222021-11-22СтудИзба
К симметричному трехфазному источнику подключена трехфазная несимметричная нагрузка соединенная треугольником (рис. 3). Сопротивления проводников линии Zл. Необходимо: а) определить линейные и фазные токи; б) построить топографическую диаграмму напря
Описание
К симметричному трехфазному источнику подключена трехфазная несимметричная нагрузка соединенная треугольником (рис. 3). Сопротивления проводников линии Zл. Необходимо:
а) определить линейные и фазные токи;
б) построить топографическую диаграмму напряжений и векторную диаграмму токов;
в) определить показания ваттметров;
г) убедиться в балансе активных мощностей.
Рисунок 7.
Дано:
Uл = 3000 В; Zл = (2+j3) Ом; Zab = 40 Ом; Zbc = j35 Ом; Zca = j25 Ом.
Характеристики решённой задачи
Предмет
Программы
Просмотров
74
Качество
Идеальное компьютерное
Размер
42,9 Kb
Список файлов
