Для студентов по предмету Электротехника (ЭлТех)Для схемы электрической цепи по заданным в таблице параметрам и линейному напряжению, определить фазные и линейные токи в нейтральном проводе (для чеДля схемы электрической цепи по заданным в таблице параметрам и линейному напряжению, определить фазные и линейные токи в нейтральном проводе (для че
5,00518050
2021-11-222021-11-22СтудИзба
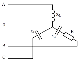
Для схемы электрической цепи по заданным в таблице параметрам и линейному напряжению, определить фазные и линейные токи в нейтральном проводе (для четырехпроводной схемы), активную мощность всей цепи и каждой фазы отдельно. Построить векторную диагр
Описание
Для схемы электрической цепи по заданным в таблице параметрам и линейному напряжению, определить фазные и линейные токи в нейтральном проводе (для четырехпроводной схемы), активную мощность всей цепи и каждой фазы отдельно. Построить векторную диаграмму токов и напряжений на комплексной плоскости.
Uл, В |
R, Ом |
xL, Ом |
xC, Ом |
173
|
45 |
35 |
35 |
Характеристики решённой задачи
Предмет
Просмотров
4
Качество
Идеальное компьютерное
Размер
81,47 Kb
Список файлов
