Лабораторная по электрическим цепям и резонансу токов
Лабораторная работа: Соединение резисторов и резонанс токов в электрических цепях
Новинка
Бланк выполнения лабораторной работы № 1
Цель работы исследование распределения токов, напряжений и мощностей при различных способах соединения пассивных элементов.Оборудование
Рис. 1. Внешний вид лабораторного стенда Схема
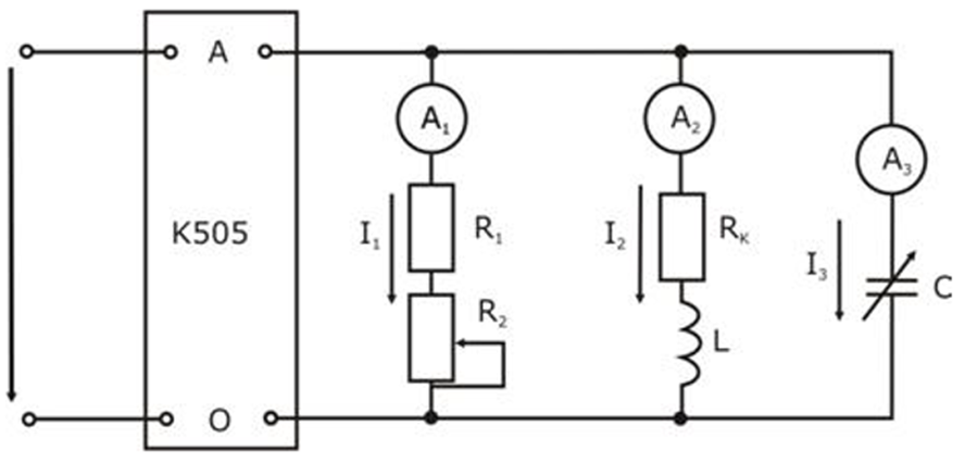
Рис.2. Исследуемая электрическая цепь опыта №1
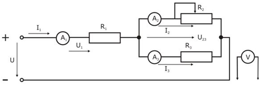
Рис.2. Исследуемая электрическая цепь опыта №2
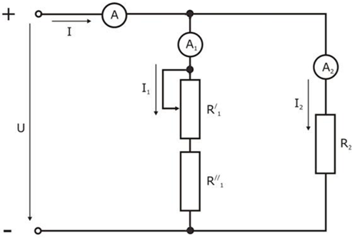
Рис.3. Исследуемая электрическая цепь опыта № 3 Ответы на контрольные вопросы.
1. Формулировка законов Кирхгофа.
2. Как изменится ток I1 , если параллельно резисторам R2 и R3 включить ещё один резистор?
3. Как распределяются токи в приемниках, соединенных параллельно?
Бланк выполнения лабораторной работы № 2
«Параллельное соединение катушки индуктивности и конденсатора в цепях синусоидального тока. Резонанс токов»Цель работы исследование параллельного включения R, L, С элементов в цепи синусоидального тока при изменении ёмкости.
Оборудование
Рис.2. Исследуемая электрическая цепь ВыводыПоказать/скрыть дополнительное описание
В материале собраны две лабораторные по электротехнике: соединение резисторов в цепях постоянного тока и параллельная RLC-цепь с резонансом токов. Приведены таблицы измерений, расчётные значения сопротивлений, токов, мощностей и реактивных параметров, а также ответы на контрольные вопросы по законам Кирхгофа. Работа подходит для студентов технических специальностей и может использоваться как основа для отчёта или защиты..
Характеристики лабораторной работы
Предмет
Учебное заведение
Семестр
Просмотров
0
Размер
1,06 Mb
Список файлов
Бланк выполнения лабораторной работы № 1.docx
Бланк выполнения лабораторной работы № 2.docx
🎓 Никольский - Помощь студентам 📚 Любые виды работ: тесты, сессии под ключ, практики, курсовые и дипломные с гарантией результата ✅ Все услуги под ключ ✅ Знаем все тонкости именно вашего ВУЗа ✅ Сдадим или вернем деньги
Комментарии
Нет комментариев
Стань первым, кто что-нибудь напишет!
МФПУ «Синергия»
nikolskypomosh














