Для студентов ИГЭУ им. Ленина по предмету Электротехника (ЭлТех)Исследование трехфазной цепи при соединении фаз приемника по схеме «звезда» Исследование трехфазной цепи при соединении фаз приемника по схеме «звезда»
4,96529546
2025-07-022025-07-02СтудИзба
Лабораторная работа 4: Исследование трехфазной цепи при соединении фаз приемника по схеме «звезда»
Описание
Исследование трехфазной цепи при соединении фаз приемника по схеме «звезда»
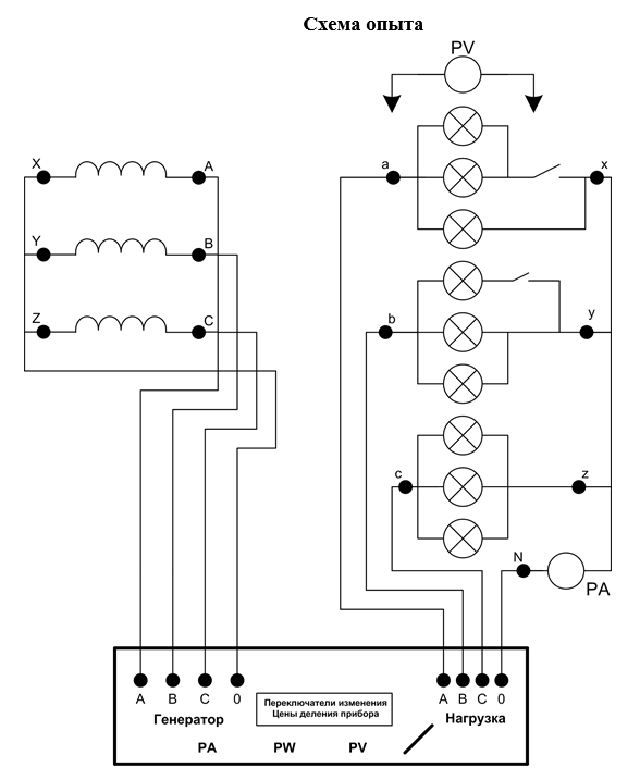
- Цель работы: исследование симметричных и несимметричных режимов работы трёхфазной цепи при соединении фаз приёмника по схеме «звезда» при наличии нейтрального провода (четырёхпроводная цепь) и его отсутствии (трёхпроводная цепь); изучение соотношений между фазными и линейными токами и напряжениями; построение векторных диаграмм токов и топографических диаграмм напряжений; исследование различных видов несимметрии приёмника, в том числе аварийных режимов работы цепи; определение напряжения смещения нейтрали; приобретение навыков в разметке зажимов вторичных обмоток трёхфазных трансформаторов; освоение методов расчёта трёхфазных цепей.
- Расчетная часть
- Вывод
Характеристики лабораторной работы
Предмет
Учебное заведение
Семестр
Номер задания
Программы
Теги
Просмотров
4
Качество
Идеальное компьютерное
Размер
708 Kb
Преподаватели
Список файлов
4. Исследование трехфазной цепи при соединении фаз приемника по схеме «звезда».doc

Вам все понравилось? Получите кэшбэк - 40 рублей на Ваш счёт при покупке. Поставьте оценку и напишите положительный комментарий к купленному файлу. После Вы получите деньги на ваш счет.