Для студентов МГТУ им. Н.Э.Баумана по предмету Электротехника (ЭлТех)Испытание двигателя постоянного токаИспытание двигателя постоянного тока
5,00562
2025-01-062025-04-03СтудИзба
Лабораторная работа 6: Испытание двигателя постоянного тока
Описание
ОТЧЁТ О РАБОТЕ
ИСПЫТАНИЕ ДВИГАТЕЛЯ ПОСТОЯННОГО ТОКА
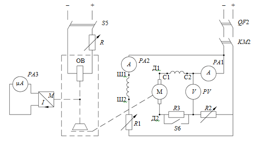
СХЕМЫ СОЕДИНЕНИЙ
Рис. 1. Электрическая схема для проведения испытаний двигателя постоянного тока
ЭКСПЕРИМЕНТАЛЬНОЕ ИССЛЕДОВАНИЕ ЭЛЕКТРИЧЕСКОЙ ЦЕПИ
Результаты измерений и вычислений характеристик двигателя смешанного возбуждения в режиме холостого хода представлены в табл. 1:
Табл. 1.
Характеристики двигателя смешанного возбуждения в режиме холостого хода
при U = 220 В = const
Пример расчёта для 3ей строки:
Результаты измерений и вычислений рабочих характеристик двигателя смешанного возбуждения представлены в табл. 2:
Табл. 2.
Рабочие характеристики двигателя смешанного возбуждения
при U = Uном = 220 В = const; Iв = Iв ном = 0.35 А = const
ИСПЫТАНИЕ ДВИГАТЕЛЯ ПОСТОЯННОГО ТОКА
СХЕМЫ СОЕДИНЕНИЙ

ЭКСПЕРИМЕНТАЛЬНОЕ ИССЛЕДОВАНИЕ ЭЛЕКТРИЧЕСКОЙ ЦЕПИ
Результаты измерений и вычислений характеристик двигателя смешанного возбуждения в режиме холостого хода представлены в табл. 1:
Табл. 1.
Характеристики двигателя смешанного возбуждения в режиме холостого хода
при U = 220 В = const
№ п/п | Опытные данные | Расчётные величины | |||
Iв, А | n, об/мин | Iя0, А | P0, Вт | I0, А | |
1 | 0.60 | 1173 | 0.8 | 308 | 1.40 |
2 | 0.55 | 1190 | 0.8 | 297 | 1.35 |
3 | 0.50 | 1231 | 0.9 | 308 | 1.40 |
4 | 0.45 | 1297 | 0.9 | 297 | 1.35 |
5 | 0.40 | 1316 | 0.9 | 286 | 1.30 |
6 | 0.35 | 1418 | 1.0 | 297 | 1.35 |
7 | 0.30 | 1460 | 1.0 | 286 | 1.30 |
8 | 0.25 | 1549 | 1.2 | 319 | 1.45 |
9 | 0.20 | 1648 | 1.4 | 352 | 1.60 |
Пример расчёта для 3ей строки:
- 1)
- 2)
Результаты измерений и вычислений рабочих характеристик двигателя смешанного возбуждения представлены в табл. 2:
Табл. 2.
Рабочие характеристики двигателя смешанного возбуждения
при U = Uном = 220 В = const; Iв = Iв ном = 0.35 А = const
№ | Опытные данные | Расчётные величины | ||||||||||
М2, мкА | М2, Н·м | n, об/мин | Iя, А | I, А | P1, Вт | P2, Вт | η | М2* | n* | I* | P2* | |
1 | 50 | 10 | 1134 | 6 | 6.35 | 1397 | 1190.700 | 0.852 | 1.152 | 1.031 | 0.977 | 1.191 |
2 | 40 | 8 | 1144 | 5 | 5.35 | 1177 | 960.960 | 0.816 | 0.921 | 1.040 | 0.823 | 0.961 |
3 | 30 | 6 | 1163 | 4 | 4.35 | 957 | 732.690 | 0.766 | 0.691 | 1.057 | 0.669 | 0.733 |
4 | 20 | 4 | 1227 | 3 | 3.35 | 737 | 515.340 | 0.699 | 0.461 | 1.115 | 0.515 | 0.515 |
5 | 10 | 2 | 1299 | 2 | 2.35 | 517 | 272.790 | 0.528 | 0.230 | 1.181 | 0.362 | 0.273 |
6 | 0 | 0 | 1374 | 0 | 0.35 | 77 | 0.000 | 0.000 | 0.000 | 1.249 | 0.054 | 0.000 |
Характеристики лабораторной работы
Предмет
Учебное заведение
Номер задания
Просмотров
3
Размер
331 Kb
Список файлов
ЛР6.doc