Для студентов МГТУ им. Н.Э.Баумана по предмету Электротехника (ЭлТех)Исследование трехфазной цепиИсследование трехфазной цепи
5,00566
2025-01-062025-04-03СтудИзба
Лабораторная работа 4: Исследование трехфазной цепи
Описание
ОТЧЁТ О РАБОТЕ
ИССЛЕДОВАНИЕ ТРЁХФАЗНОЙ ЦЕПИ
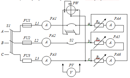
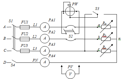
СХЕМЫ СОЕДИНЕНИЙ
Рис. 1. Схема исследуемой трёхфазной цепи при соединении электроприёмников звездой

Рис. 2. Схема исследуемой трёхфазной цепи при соединении электроприёмников треугольником
РАСЧЁТНОЕ ЗАДАНИЕ
Расчётное задание №1, вариант 8, представлено в табл. 1:
Табл. 1. Расчётное задание №1
Исходные данные: Uл = 220 В, Ra = 35 Ом, Rb = 45 Ом, Rc = 40 Ом | ||||||||
Схема соединения | Расчётные величины | |||||||
Напряжения, В | Токи, А | |||||||
Ua | Ub | Uc | UN | Ia | Ib | Ic | IN | |
Y- | 127.000 | 127.000 | 127.000 | 127.000 | 3.629 | 2.822 | 3.175 | 0.700 |
Y | 118.446 | 134.659 | 127.903 | - | 3.384 | 2.992 | 3.198 | - |
Характеристики лабораторной работы
Предмет
Учебное заведение
Номер задания
Просмотров
4
Размер
480,5 Kb
Список файлов
ЛР4.doc