Для студентов МГТУ им. Н.Э.Баумана по предмету Электротехника (ЭлТех)Исследование однофазной цепи синусоидального тока при последовательном соединении приемниковИсследование однофазной цепи синусоидального тока при последовательном соединении приемников
5,00571
2025-01-062025-04-03СтудИзба
Лабораторная работа 2: Исследование однофазной цепи синусоидального тока при последовательном соединении приемников
Описание
ОТЧЁТ О РАБОТЕ
ИССЛЕДОВАНИЕ ОДНОФАЗНОЙ ЦЕПИ СИНУСОИДАЛЬНОГО ТОКА ПРИ ПОСЛЕДОВАТЕЛЬНОМ СОЕДИНЕНИИ ПРИЁМНИКОВ
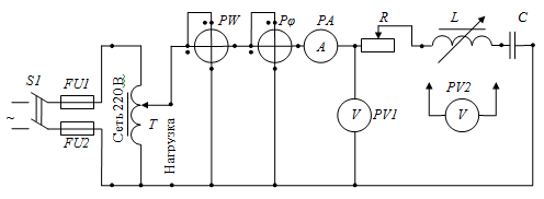
СХЕМЫ СОЕДИНЕНИЙ
Рис. 1. Схема исследуемой цепи
РАСЧЁТНОЕ ЗАДАНИЕ
Расчётное задание, вариант 8, представлено в табл. 1:
Табл. 1. Расчётное задание
ИССЛЕДОВАНИЕ ОДНОФАЗНОЙ ЦЕПИ СИНУСОИДАЛЬНОГО ТОКА ПРИ ПОСЛЕДОВАТЕЛЬНОМ СОЕДИНЕНИИ ПРИЁМНИКОВ
СХЕМЫ СОЕДИНЕНИЙ
Рис. 1. Схема исследуемой цепи РАСЧЁТНОЕ ЗАДАНИЕ
Расчётное задание, вариант 8, представлено в табл. 1:
Табл. 1. Расчётное задание
Характеристики лабораторной работы
Предмет
Учебное заведение
Номер задания
Просмотров
7
Размер
238,5 Kb
Список файлов
ЛР2.doc
МГТУ им. Н.Э.Баумана
AlexInfinity

















