Для студентов МГТУ им. Н.Э.Баумана по предмету Электротехника (ЭлТех)Цепи переменного токаЦепи переменного тока
5,0052
2023-02-152023-02-15СтудИзба
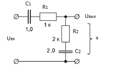
Лабораторная работа 3: Цепи переменного тока вариант 18
Описание
Лабораторная работа была ЗАЧТЕНА у Белодедов М.В.!

ДЕМО


ЛР №3-Вариант 18-Цепи переменного тока.
Характеристики лабораторной работы
Предмет
Учебное заведение
Номер задания
Вариант
Программы
Теги
Просмотров
45
Качество
Идеальное компьютерное
Размер
245,26 Kb
Список файлов
ЛР 3_ ВАР 18_Цепи переменного тока.docx

Если работа Вам была полезна, Пожалуйста, потратьте несколько секунд, чтобы оставить нам 5 ЗВЁЗД и положительный отзывы. Мы Вам глубоко признателены!