Для студентов МГТУ им. Н.Э.Баумана по предмету Электротехника (ЭлТех)Лабораторная работа "Источники тока и напряжения" Вариант 16Лабораторная работа "Источники тока и напряжения" Вариант 16
5,0055
2020-11-032020-11-03СтудИзба
Лабораторная работа: Лабораторная работа "Источники тока и напряжения" Вариант 16
Описание
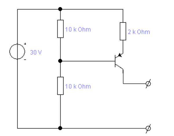
Лабораторная работа №2, сдана на 10
принимающий Белодедов
![]()
принимающий Белодедов

Характеристики лабораторной работы
Предмет
Учебное заведение
Семестр
Просмотров
45
Размер
118,74 Kb
Список файлов
Источники тока и напряжения.docx
МГТУ им. Н.Э.Баумана
vk_29329539


















