ДЗ КМ-1: КМ-1. Цепи постоянного тока вариант 12

Новинка

Описание

☑️ Готовая работа - КМ-1. Цепи постоянного тока по курсу Электротехника

📚 Услуги для ИДДО (жми на нужную ⬇️ ):
➡️ Любой тест в ИДДО | Любой КМ | Любой предмет | Сессия под ключ | Практика | ВКР (Диплом) ⬅️

Остались вопросы? Скорее пиши ➡️ Написать эксперту


➡️ Готовые работы по курсу ⬅️
▶️ Помощь с работами по курсу ◀️

Задание:

Решить четыре задачи, номера которых указаны в табл. 1

М=12, N = 18

Задача 5. К источнику с известной внешней характеристикой подключен резистор сопротивлением R = (4N) Ом. Найти ток в цепи, мощности источника и приемника, а также КПД источника.

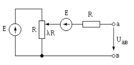
Задача 12. Определить напряжение Uав, если E = (N) B, R = (M) Ом,  = 0,5.

Задача 17. В заданной схеме найти токи в ветвях и напряжение Uав, если Е = 10 В. Значения всех сопротивлений (в омах) указаны в таблице 2.

Задача 18. Используя метод эквивалентного активного двухполюсника, определить параметры его последовательной схемы замещения (Еэк и Rэк) относительно зажимов а и в. Значения сопротивлений (в омах) указаны в таблице 3.

Полное задание смотрите в "демо".
Курс Электротехника - КМ-1. Цепи постоянного тока

Файлы условия, демо

📢 Есть вопросы или нужна помощь? Не знаете, как оформить заказ или оплатить?
👉 Просто нажмите кнопку Написать эксперту — я сразу отвечу, помогу разобраться и оформить всё за вас. 💬
🔥 Быстро. Удобно. Без лишних сложностей!

Характеристики домашнего задания

Учебное заведение
Номер задания
Вариант
Программы
Теги
Просмотров
0
Качество
Идеальное компьютерное
Размер
331,59 Kb

Список файлов

N=18 M=12 .docx
Картинка-подпись
🎓 Поможем сдать всё — тесты, практику, экзамены, курсовые, дипломы, отчёты! Закроем долги под ключ 🔑 Ведём от первой сессии до диплома 🏆 Работаем с Синергией, МЭИ и другими вузами 🤝 Гарантия результата или возврат денег 💰 Пиши! 🚀

Комментарии

Нет комментариев
Стань первым, кто что-нибудь напишет!
Поделитесь ссылкой:
Базовая цена: 1 490 руб.
Уникальное решение Услуга за 2990 руб.
Помощь с тестом Услуга за 1999 руб.
Помощь с предметом ЦЕЛИКОМ Услуга за 4990 руб.
Помощь с полным закрытием сессии Услуга за 9999 руб.
Расширенная гарантия +3 недели гарантии, +10% цены
Рейтинг автора
5 из 5
Поделитесь ссылкой:
Сопутствующие материалы

Подобрали для Вас услуги

Вы можете использовать домашнюю работу для примера, а также можете ссылаться на неё в своей работе. Авторство принадлежит автору работы, поэтому запрещено копировать текст из этой работы для любой публикации, в том числе в свою домашнюю работу в учебном заведении, без правильно оформленной ссылки. Читайте как правильно публиковать ссылки в своей работе.
Свежие статьи
Популярно сейчас
А знаете ли Вы, что из года в год задания практически не меняются? Математика, преподаваемая в учебных заведениях, никак не менялась минимум 30 лет. Найдите нужный учебный материал на СтудИзбе!
Ответы на популярные вопросы
Да! Наши авторы собирают и выкладывают те работы, которые сдаются в Вашем учебном заведении ежегодно и уже проверены преподавателями.
Да! У нас любой человек может выложить любую учебную работу и зарабатывать на её продажах! Но каждый учебный материал публикуется только после тщательной проверки администрацией.
Вернём деньги! А если быть более точными, то автору даётся немного времени на исправление, а если не исправит или выйдет время, то вернём деньги в полном объёме!
Да! На равне с готовыми студенческими работами у нас продаются услуги. Цены на услуги видны сразу, то есть Вам нужно только указать параметры и сразу можно оплачивать.
Отзывы студентов
Ставлю 10/10
Все нравится, очень удобный сайт, помогает в учебе. Кроме этого, можно заработать самому, выставляя готовые учебные материалы на продажу здесь. Рейтинги и отзывы на преподавателей очень помогают сориентироваться в начале нового семестра. Спасибо за такую функцию. Ставлю максимальную оценку.
Лучшая платформа для успешной сдачи сессии
Познакомился со СтудИзбой благодаря своему другу, очень нравится интерфейс, количество доступных файлов, цена, в общем, все прекрасно. Даже сам продаю какие-то свои работы.
Студизба ван лав ❤
Очень офигенный сайт для студентов. Много полезных учебных материалов. Пользуюсь студизбой с октября 2021 года. Серьёзных нареканий нет. Хотелось бы, что бы ввели подписочную модель и сделали материалы дешевле 300 рублей в рамках подписки бесплатными.
Отличный сайт
Лично меня всё устраивает - и покупка, и продажа; и цены, и возможность предпросмотра куска файла, и обилие бесплатных файлов (в подборках по авторам, читай, ВУЗам и факультетам). Есть определённые баги, но всё решаемо, да и администраторы реагируют в течение суток.
Маленький отзыв о большом помощнике!
Студизба спасает в те моменты, когда сроки горят, а работ накопилось достаточно. Довольно удобный сайт с простой навигацией и огромным количеством материалов.
Студ. Изба как крупнейший сборник работ для студентов
Тут дофига бывает всего полезного. Печально, что бывают предметы по которым даже одного бесплатного решения нет, но это скорее вопрос к студентам. В остальном всё здорово.
Спасательный островок
Если уже не успеваешь разобраться или застрял на каком-то задание поможет тебе быстро и недорого решить твою проблему.
Всё и так отлично
Всё очень удобно. Особенно круто, что есть система бонусов и можно выводить остатки денег. Очень много качественных бесплатных файлов.
Отзыв о системе "Студизба"
Отличная платформа для распространения работ, востребованных студентами. Хорошо налаженная и качественная работа сайта, огромная база заданий и аудитория.
Отличный помощник
Отличный сайт с кучей полезных файлов, позволяющий найти много методичек / учебников / отзывов о вузах и преподователях.
Отлично помогает студентам в любой момент для решения трудных и незамедлительных задач
Хотелось бы больше конкретной информации о преподавателях. А так в принципе хороший сайт, всегда им пользуюсь и ни разу не было желания прекратить. Хороший сайт для помощи студентам, удобный и приятный интерфейс. Из недостатков можно выделить только отсутствия небольшого количества файлов.
Спасибо за шикарный сайт
Великолепный сайт на котором студент за не большие деньги может найти помощь с дз, проектами курсовыми, лабораторными, а также узнать отзывы на преподавателей и бесплатно скачать пособия.
Популярные преподаватели
Добавляйте материалы
и зарабатывайте!
Продажи идут автоматически
7154
Авторов
на СтудИзбе
253
Средний доход
с одного платного файла
Обучение Подробнее