ДЗ 1: Методы анализа линейных разветвленных электрических цепей при синусоидальных воздействиях вариант 12
Описание
Задание:
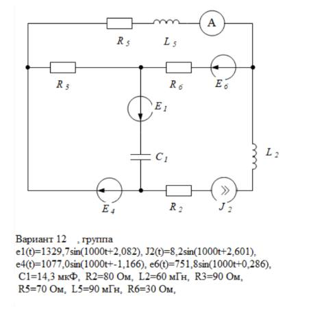
1 Изобразить комплексную схему замещения заданной электрической цепи.
2.Записать по законам Кирхгофа систему уравнений для определения неизвестных токов в ветвях
электрической цепи.
Внимание!!! Уравнения по законам Кирхгофа не решать. Достаточно только записать их.
3 Рассчитать неизвестные токи в заданной схеме методом контурных токов ИЛИ методом
узловых потенциалов. Для второго метода записать систему, не решая ее.
4 Определить неизвестный ток в одной из ветвей (по выбору студента) методом эквивалентного
генератора.
Внимание!!! Следует выбирать ветвь без источников ЭДС и тока.
В результате расчета значение комплексного тока должно быть то же, что и другим методом.
5 Построить векторную диаграмму токов и топографическую диаграмму напряжений. Диаграммы
должны быть построены в одних осях.
6 Определить напряжение на источнике тока.
7 Провести проверку баланса мощности для активных, реактивных и полных мощностей.
Примечание:
Единицы измерения: e [В], J [А], i [А], R [Ом], L [мГн], C [мкФ].
Начальная фаза источников приводится в радианах.
В ответе указать значения токов в комплексной форме.
![]()
1 Изобразить комплексную схему замещения заданной электрической цепи.
2.Записать по законам Кирхгофа систему уравнений для определения неизвестных токов в ветвях
электрической цепи.
Внимание!!! Уравнения по законам Кирхгофа не решать. Достаточно только записать их.
3 Рассчитать неизвестные токи в заданной схеме методом контурных токов ИЛИ методом
узловых потенциалов. Для второго метода записать систему, не решая ее.
4 Определить неизвестный ток в одной из ветвей (по выбору студента) методом эквивалентного
генератора.
Внимание!!! Следует выбирать ветвь без источников ЭДС и тока.
В результате расчета значение комплексного тока должно быть то же, что и другим методом.
5 Построить векторную диаграмму токов и топографическую диаграмму напряжений. Диаграммы
должны быть построены в одних осях.
6 Определить напряжение на источнике тока.
7 Провести проверку баланса мощности для активных, реактивных и полных мощностей.
Примечание:
Единицы измерения: e [В], J [А], i [А], R [Ом], L [мГн], C [мкФ].
Начальная фаза источников приводится в радианах.
В ответе указать значения токов в комплексной форме.

Файлы условия, демо
Характеристики домашнего задания
Предмет
Учебное заведение
Номер задания
Вариант
Программы
Просмотров
67
Качество
Идеальное компьютерное
Размер
252,28 Kb
Список файлов
дз1.pdf
Комментарии
Нет комментариев
Стань первым, кто что-нибудь напишет!
МГТУ им. Н.Э.Баумана



















