Для студентов МГТУ им. Н.Э.Баумана по предмету Электротехника (ЭлТех)Расчёт линейных цепей синусоидального токаРасчёт линейных цепей синусоидального тока
4,845140
2025-10-182025-10-18СтудИзба
ДЗ 2: Расчёт линейных цепей синусоидального тока вариант 3
Описание
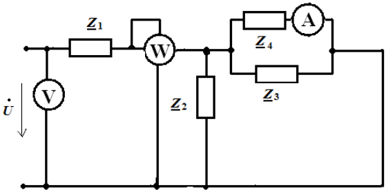
Выполненное домашнее задание № 2 по курсу «Электротехника и электроника» по теме «Расчёт линейных цепей синусоидального тока» Вариант 3. Решение проведено вручную с проверкой в Multisim. Задание оформлено в Word, рисунки выполнены в Компас-3D. Прикреплен PDF-файл.
![]()

Файлы условия, демо
Характеристики домашнего задания
Предмет
Учебное заведение
Номер задания
Вариант
Программы
Просмотров
3
Качество
Идеальное компьютерное
Размер
590,58 Kb
Список файлов
ДЗ2 Схема 1 Вариант 3.pdf
Комментарии
Нет комментариев
Стань первым, кто что-нибудь напишет!
МГТУ им. Н.Э.Баумана



















