Для студентов МГТУ им. Н.Э.Баумана по предмету Электротехника (ЭлТех)Домашнее заданиеДомашнее задание
5,005485
2024-09-052025-09-27СтудИзба
ДЗ 1: Домашнее задание вариант 18
-33%
Описание
Полностью выполненное домашнее задание по электротехнике
Задание
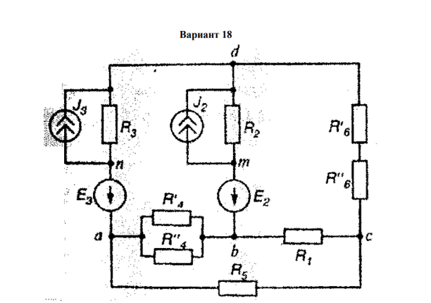
1. Законы Кирхгофа. Составление уравнений для расчета линейных цепей постоянного тока.
2. Идеализированные элементы схем замещения линейных цепей постоянного тока – резистивный элемент, источник ЭДС, источник тока. Активный и пассивный двухполюсники. Эквивалентные преобразования расчетных схем. Эквивалентный генератор.
3. Закон Ома для участка цепи с источником ЭДС. Потенциальная диаграмма.
4. Работа и мощность постоянного тока. Энергетический баланс в линейных цепях постоянного тока. Мощность, доставляемая источником электрической энергии и мощность, выделяемая в нагрузке. КПД.
5. Метод контурных токов. Составление уравнений для расчета линейных цепей постоянного тока.
6. Метод узловых потенциалов. Составление уравнений для расчета линейных цепей постоянного тока.
![]()
Задание
1. Законы Кирхгофа. Составление уравнений для расчета линейных цепей постоянного тока.
2. Идеализированные элементы схем замещения линейных цепей постоянного тока – резистивный элемент, источник ЭДС, источник тока. Активный и пассивный двухполюсники. Эквивалентные преобразования расчетных схем. Эквивалентный генератор.
3. Закон Ома для участка цепи с источником ЭДС. Потенциальная диаграмма.
4. Работа и мощность постоянного тока. Энергетический баланс в линейных цепях постоянного тока. Мощность, доставляемая источником электрической энергии и мощность, выделяемая в нагрузке. КПД.
5. Метод контурных токов. Составление уравнений для расчета линейных цепей постоянного тока.
6. Метод узловых потенциалов. Составление уравнений для расчета линейных цепей постоянного тока.

Характеристики домашнего задания
Предмет
Учебное заведение
Семестр
Номер задания
Вариант
Программы
Теги
Просмотров
86
Качество
Идеальное компьютерное
Размер
951,71 Kb
Преподаватели
Список файлов
ДЗ элтех.docx
Если работа вам понравилась, то оставьте, пожалуйста, отзыв
Комментарии
Нет комментариев
Стань первым, кто что-нибудь напишет!
МГТУ им. Н.Э.Баумана
bruklyn.ben



















