Для студентов по предмету Электротехника (ЭлТех)Контрольная работаКонтрольная работа
5,0053107
2023-12-142023-12-14СтудИзба
ДЗ: Контрольная работа вариант 6
Описание
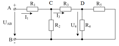
Задача 1
Цепь постоянного тока содержит резисторы, соединенные смешанно. Схема цепи приведена на рисунке 1. Всюду индекс тока или напряжения совпадает с индексом резистора, по которому проходит этот ток или на котором действует это напряжение. Схема цепи приведена на рисунке 1.
Определить ток, напряжение, мощность, потребляемую всей цепью, и расход электрической энергии цепью за 10 часов работы.
В трехфазную цепь включили «треугольником» несимметричную нагрузку: в фазу – емкостной элемент с емкостью , в фазу - резистор с сопротивлением , в фазу - резистор с сопротивлением (см. рис. 2.1).
Определить фазные токи, активную, реактивную и полную мощности трехфазной цепи. Расчетное значение округлить до целого числа. Построить векторную диаграмму и по ней определить линейные токи
Задача 3
Цех завода получает питание от подстанции при напряжении. Активная мощность расходуемая цехом при коэффициенте мощности
Выбрать тип трансформатора и определить:
1) коэффициент нагрузки трансформатора ;
2) номинальные токи в обмотках и ;
3) токи в обмотках при фактической нагрузке и ;
4) КПД трансформатора при фактической нагрузке.
Ответить на вопрос: Опыт короткого замыкания (К.З.). Какие потери мощности определяют в опыте К.З.?
Задача 4
Электродвигатель постоянного тока с параллельным возбуждением мощностью. Напряжение номинальный ток скорость вращения двигателя Сопротивление параллельной обмотки возбуждения
Определить:
КПД двигателя, ток в параллельной обмотке возбуждения, ток в обмотке якоря, суммарные потери в двигателе вращающий момент двигателя
Начертить схему двигателя, пояснить назначение элементов схемы.
Цепь постоянного тока содержит резисторы, соединенные смешанно. Схема цепи приведена на рисунке 1. Всюду индекс тока или напряжения совпадает с индексом резистора, по которому проходит этот ток или на котором действует это напряжение. Схема цепи приведена на рисунке 1.


В трехфазную цепь включили «треугольником» несимметричную нагрузку: в фазу – емкостной элемент с емкостью , в фазу - резистор с сопротивлением , в фазу - резистор с сопротивлением (см. рис. 2.1).
Определить фазные токи, активную, реактивную и полную мощности трехфазной цепи. Расчетное значение округлить до целого числа. Построить векторную диаграмму и по ней определить линейные токи

Задача 3
Цех завода получает питание от подстанции при напряжении. Активная мощность расходуемая цехом при коэффициенте мощности
Выбрать тип трансформатора и определить:
1) коэффициент нагрузки трансформатора ;
2) номинальные токи в обмотках и ;
3) токи в обмотках при фактической нагрузке и ;
4) КПД трансформатора при фактической нагрузке.
Ответить на вопрос: Опыт короткого замыкания (К.З.). Какие потери мощности определяют в опыте К.З.?

Задача 4
Электродвигатель постоянного тока с параллельным возбуждением мощностью. Напряжение номинальный ток скорость вращения двигателя Сопротивление параллельной обмотки возбуждения
Определить:
КПД двигателя, ток в параллельной обмотке возбуждения, ток в обмотке якоря, суммарные потери в двигателе вращающий момент двигателя
Начертить схему двигателя, пояснить назначение элементов схемы.

Характеристики домашнего задания
Предмет
Вариант
Просмотров
2
Размер
381,09 Kb
Список файлов
dlia_obraztsa_1_14146826.docx

Если нужен другой вариант работы или отдельная задача из любой работы, пишите в комментарии