Для студентов по предмету Электротехника (ЭлТех)Контрольная работаКонтрольная работа
5,0053917
2023-12-14СтудИзба

ДЗ: Контрольная работа вариант 17

Описание

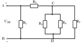
Задача 1

Цепь постоянного тока содержит резисторы, соединенные смешано. Схема цепи с указанием резисторов приведена на рисунке 1. Всюду индекс тока или напряжения совпадает с индексом резистора, по которому проходит этот ток или на котором действует это напряжение. Например, через резистор R3 проходит ток I3,и на нем действует напряжение U3.
Дано:
I1=5 A; R1=10 Oм; R2=8 Oм; R3=10 Oм; R4=15 Oм; R5=3 Oм.
Определить напряжение UAB, а также мощность, потребляемую всей цепью, и расход электрической энергии цепью за 10 ч работы.

Задача 2

В трехфазную цепь включили «треугольником» несимметричную нагрузку:
в фазу – резистивный элемент резистор с сопротивлением RAB = 20 Ом,
в фазу - резистор с сопротивлением R = 20 Ом,
в фазу - индуктивную катушку с индуктивностью LCA=51мГн и резистор с сопротивлением RСA = 12 Ом, (см. рис. 2.1).
Линейное напряжение Uном=220 B, частота сети f = 50 Гц.
Определить фазные токи , , активную, реактивную и полную мощности трехфазной цепи. Расчетное значение XLCA округлить до целого числа. Построить векторную диаграмму и по ней определить линейные токи.

Задача 3
К трехфазному трансформатору с номинальной мощностью Sном = 400 кВА и номинальными напряжениями Uном = 10 кВ и Uном2 = 0,4 кВ обмоток присоединена активная нагрузка Р2 = 350 кВт при коэффициенте мощности соs φ2 = 0,92.
Определить: 1. коэффициент трансформации К
2. номинальные токи в первичной I1ном и во вторичной I2ном обмотках
3. коэффициент нагрузки трансформатора Кн
4. потери мощности в трансформаторе при фактической нагрузке
5. к.п.д. трансформатора при фактической нагрузке
Дано: Sном = 400 кВА, Uном = 10 кВ, Uном2 = 0,4 кВ, Р2 = 350 кВт, соs φ2 = 0,92.

Задача 4

Для трехфазного асинхронного электродвигателя заданы следующие величины при номинальной нагрузке: суммарные потери мощности в двигателе Σ Р= 0,65 кВт; коэффициент полезного действия ηном = 0,86, синхронная частота вращения поля п1= 3000 об/мин. и частота тока в роторе f2s = 2 Гц. Частота тока в сети равна f1=50 Гц.
Определить:
1) потребляемую Р1 и номинальную полезную Рном 2 мощности;
2) скольжение sном;
3) частоту вращения ротора nном 2;
4) число пар полюсов двигателя р;
5) полезный вращающий момент Mном.
Дано: Σ Р= 0,65 кВт, ηном = 0,86, п1= 3000 об/мин, f2s = 2 Гц, f1=50 Гц.

Характеристики домашнего задания

Вариант
Просмотров
2
Качество
Идеальное компьютерное
Размер
434,91 Kb

Список файлов

dlia_obraztsa_14146825.docx
Картинка-подпись
Если нужен другой вариант работы или отдельная задача из любой работы, пишите в комментарии

Комментарии

Нет комментариев
Стань первым, кто что-нибудь напишет!
Поделитесь ссылкой:
Цена: 340 руб.
Расширенная гарантия +3 недели гарантии, +10% цены
Рейтинг автора
5 из 5
Поделитесь ссылкой:
Сопутствующие материалы
Определить, при каком сопротивлении нагрузочного резистора Rн, и токе нагрузки I1 аккумуляторной батареи, включенной в электрическую цепь рис. 1.58, а, батарея начнет разряжаться, если ее ЭДС Е1=8 В? ЭДС источника питания Е2=10 В, его внутреннее сопр
Электромашины постоянного тока (рис. 1.57), работающие в режиме генератора, включены параллельно и работают на сеть с нагрузкой Rн=0,1 Ом. Один генератор развивает ЭДС Е1=20 В и имеет внутреннее сопротивление R01=0,01 Ом, второй генератор – ЭДС Е2=22
Два источника постоянного тока с ЭДС Е1=Е2=115 В и внутренними сопротивлениями R01=0,2 Ом и R02=0,4 Ом включены параллельно на нагрузку Rн=5 Ом (рис. 1.56). Определить токи I, I1,I2 в ветвях электрической цепи и составить баланс мощностей.
Проектирование узлов цифровой электронной техники
Расчет магнитной цепи
Методом эквивалентного генератора определить ток I5 в диагонали моста рис. 1.73, а. Сопротивление резисторов: R1=20 Ом; R2=40 Ом; R3=30 Ом; R4=10 Ом; R5=50 Ом, ЭДС источника питания Е=120 В.

Подобрали для Вас услуги

Вы можете использовать домашнюю работу для примера, а также можете ссылаться на неё в своей работе. Авторство принадлежит автору работы, поэтому запрещено копировать текст из этой работы для любой публикации, в том числе в свою домашнюю работу в учебном заведении, без правильно оформленной ссылки. Читайте как правильно публиковать ссылки в своей работе.
Свежие статьи
Популярно сейчас
А знаете ли Вы, что из года в год задания практически не меняются? Математика, преподаваемая в учебных заведениях, никак не менялась минимум 30 лет. Найдите нужный учебный материал на СтудИзбе!
Ответы на популярные вопросы
Да! Наши авторы собирают и выкладывают те работы, которые сдаются в Вашем учебном заведении ежегодно и уже проверены преподавателями.
Да! У нас любой человек может выложить любую учебную работу и зарабатывать на её продажах! Но каждый учебный материал публикуется только после тщательной проверки администрацией.
Вернём деньги! А если быть более точными, то автору даётся немного времени на исправление, а если не исправит или выйдет время, то вернём деньги в полном объёме!
Да! На равне с готовыми студенческими работами у нас продаются услуги. Цены на услуги видны сразу, то есть Вам нужно только указать параметры и сразу можно оплачивать.
Отзывы студентов
Ставлю 10/10
Все нравится, очень удобный сайт, помогает в учебе. Кроме этого, можно заработать самому, выставляя готовые учебные материалы на продажу здесь. Рейтинги и отзывы на преподавателей очень помогают сориентироваться в начале нового семестра. Спасибо за такую функцию. Ставлю максимальную оценку.
Лучшая платформа для успешной сдачи сессии
Познакомился со СтудИзбой благодаря своему другу, очень нравится интерфейс, количество доступных файлов, цена, в общем, все прекрасно. Даже сам продаю какие-то свои работы.
Студизба ван лав ❤
Очень офигенный сайт для студентов. Много полезных учебных материалов. Пользуюсь студизбой с октября 2021 года. Серьёзных нареканий нет. Хотелось бы, что бы ввели подписочную модель и сделали материалы дешевле 300 рублей в рамках подписки бесплатными.
Отличный сайт
Лично меня всё устраивает - и покупка, и продажа; и цены, и возможность предпросмотра куска файла, и обилие бесплатных файлов (в подборках по авторам, читай, ВУЗам и факультетам). Есть определённые баги, но всё решаемо, да и администраторы реагируют в течение суток.
Маленький отзыв о большом помощнике!
Студизба спасает в те моменты, когда сроки горят, а работ накопилось достаточно. Довольно удобный сайт с простой навигацией и огромным количеством материалов.
Студ. Изба как крупнейший сборник работ для студентов
Тут дофига бывает всего полезного. Печально, что бывают предметы по которым даже одного бесплатного решения нет, но это скорее вопрос к студентам. В остальном всё здорово.
Спасательный островок
Если уже не успеваешь разобраться или застрял на каком-то задание поможет тебе быстро и недорого решить твою проблему.
Всё и так отлично
Всё очень удобно. Особенно круто, что есть система бонусов и можно выводить остатки денег. Очень много качественных бесплатных файлов.
Отзыв о системе "Студизба"
Отличная платформа для распространения работ, востребованных студентами. Хорошо налаженная и качественная работа сайта, огромная база заданий и аудитория.
Отличный помощник
Отличный сайт с кучей полезных файлов, позволяющий найти много методичек / учебников / отзывов о вузах и преподователях.
Отлично помогает студентам в любой момент для решения трудных и незамедлительных задач
Хотелось бы больше конкретной информации о преподавателях. А так в принципе хороший сайт, всегда им пользуюсь и ни разу не было желания прекратить. Хороший сайт для помощи студентам, удобный и приятный интерфейс. Из недостатков можно выделить только отсутствия небольшого количества файлов.
Спасибо за шикарный сайт
Великолепный сайт на котором студент за не большие деньги может найти помощь с дз, проектами курсовыми, лабораторными, а также узнать отзывы на преподавателей и бесплатно скачать пособия.
Популярные преподаватели
Добавляйте материалы
и зарабатывайте!
Продажи идут автоматически
6947
Авторов
на СтудИзбе
265
Средний доход
с одного платного файла
Обучение Подробнее