Для студентов МГТУ им. Н.Э.Баумана по предмету Электротехника (ЭлТех)Методы анализа линейных разветвлённых электрических цепей при синусоидальных воздействияхМетоды анализа линейных разветвлённых электрических цепей при синусоидальных воздействиях
4,9957638
2023-12-122023-12-12СтудИзба
ДЗ 2: Методы анализа линейных разветвлённых электрических цепей при синусоидальных воздействиях вариант 10
Описание
👉ДЗ ЗАЧТЕНО у ГОЛУБНИК Т.В.!
УСЛОВИЕ
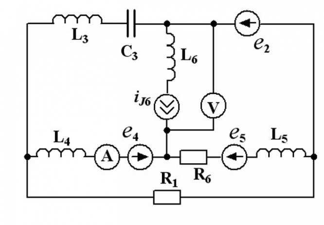
Рассчитать токи в заданной схеме методом контурных токов, методом узловых потенциалов и неизвестный ток в одной из ветвей методом эквивалентного источника. Построить векторную диаграмму токов для одного из узлов. Определить показания приборов.
В ответе указать значения токов в комплексной и во временной формах.
Единицы измерения: e [В], i [А], R [Ом], L [мГн], C [мкФ].


ДЕМО


Рассчитать токи в заданной схеме методом контурных токов, методом узловых потенциалов и неизвестный ток в одной из ветвей методом эквивалентного источника. Построить векторную диаграмму токов для одного из узлов. Определить показания приборов. В ответе указать значения токов в комплексной и во временной формах. Единицы измерения: e [В], i [А], R [Ом], L [мГн], C [мкФ]..
Файлы условия, демо
Характеристики домашнего задания
Предмет
Учебное заведение
Номер задания
Вариант
Программы
Просмотров
84
Качество
Скан рукописных листов
Размер
619,09 Kb
Список файлов
ДЗ2 Вариант 10 .pdf

Если работа Вам была полезна, Пожалуйста, потратьте несколько секунд, чтобы оставить нам 5 ЗВЁЗД и положительный отзывы. Мы Вам глубоко признателены!