Для студентов МГТУ им. Н.Э.Баумана по предмету Электротехника (ЭлТех)Методы анализа линейных разветвленных электрических цепей при синусоидальных воздействияхМетоды анализа линейных разветвленных электрических цепей при синусоидальных воздействиях
5,0059
2023-08-232025-10-14СтудИзба
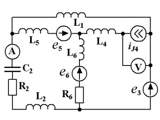
ДЗ 1: Методы анализа линейных разветвленных электрических цепей при синусоидальных воздействиях вариант 8
Описание
Характеристики домашнего задания
Предмет
Учебное заведение
Семестр
Номер задания
Вариант
Просмотров
135
Размер
776,58 Kb
Список файлов
8 variant.pdf
Комментарии
Нет комментариев
Стань первым, кто что-нибудь напишет!

МГТУ им. Н.Э.Баумана
meoww


















