Для студентов МГТУ им. Н.Э.Баумана по предмету Электротехника (ЭлТех)Методы анализа линейных разветвленных электрических цепей при синусоидальных воздействияхМетоды анализа линейных разветвленных электрических цепей при синусоидальных воздействиях
4,1658
2023-08-222025-10-14СтудИзба
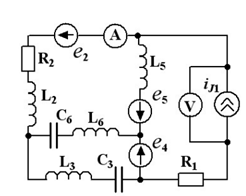
ДЗ 1: Методы анализа линейных разветвленных электрических цепей при синусоидальных воздействиях вариант 4
Описание
Характеристики домашнего задания
Предмет
Учебное заведение
Семестр
Номер задания
Вариант
Просмотров
153
Размер
832,88 Kb
Список файлов
4 variant.pdf
Отзывы и вопросы
Отзыв
Неправильные уравнения и нереально читать
Вопрос
Скан рукописных листов или ворда?
МГТУ им. Н.Э.Баумана
meoww


















