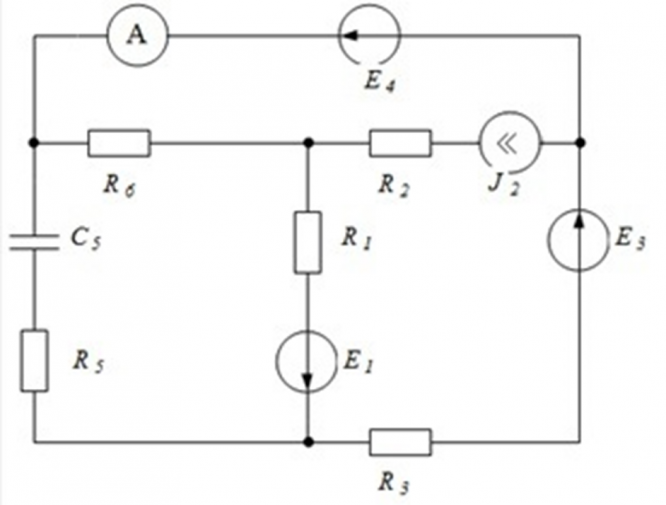
ДЗ 1: Домашнее задание вариант 18
Описание
Составить математическую модель цепи, заданной схемой. Получить систему уравнений для расчета комплексных токов в схеме одним из следующих методов:
- метод контурных токов;
- метод узловых потенциалов;
- метод непосредственного применения законов Кирхгофа.
Рассчитать токи в ветвях выбранным методом. Определить показания приборов. Составить уравнение баланса мощностей и рассчитать комплексную мощность цепи.
В ответе указать значения тока в комплексной и во временной формах.
Единицы измерения: E [В], I [A], R [Ом], L [мГн], C [мкФ]. Начальная фаза источников приводится в радианах.
e1(t) = 2006.8*sin(1000t + 1.458) = , J2(t) = 8.0*sin(1000t + 3.927),
e3(t) = 2175.7*sin(1000t + 4.240), e4(t) = 824.6*sin(1000t + 1.030),
R1 = 90, R2 = 40, R3 = 20, R5 = 90, R6 = 50, C5 = 12.5.
МГТУ им. Н.Э.Баумана


















