Для студентов МГТУ им. Н.Э.Баумана по предмету Электротехника (ЭлТех)Методы анализа линейных разветвленных электрических цепей при синусоидальных воздействияхМетоды анализа линейных разветвленных электрических цепей при синусоидальных воздействиях
5,0051
2023-04-172025-05-26СтудИзба
ДЗ 1: Методы анализа линейных разветвленных электрических цепей при синусоидальных воздействиях вариант 23
Описание

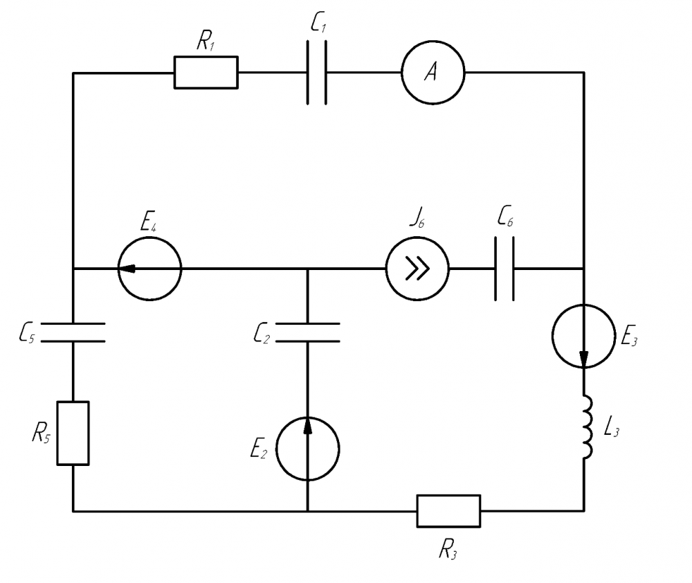
Рассчитать токи в заданной схеме методом контурных токов или методом узловых потенциалов и неизвестный ток в одной из ветвей методом эквивалентного источника. Построить векторную диаграмму токов для одного из узлов. Определить показания приборов. Составить уравнение баланса мощностей. Рассчитать комплексную мощность цепи.
В ответе указать значения токов в комплексной и во временной формах.
Единицы измерения: e [В], i [А], R [Ом], L [мГн], C [мкФ]. Начальная фаза эдс и токов источников указана в радианах.
e2=1147,7sin(1000t-1,509)
e3=278,6sin(1000t+0,418)
e4=1140,2sin(1000t+1,446)
j6=7,6sin(1000t+3,522)
R1=70 Ом
С1=11б1 мкФ
С2=33б3 мкФ
R3=10 Ом
L3=70 мГн
R5=50 Ом
C5=100,0 мкФ
С6=25,0 мкФ
Формат файла ДЗ: pdf
Верстка выполнена в LaTeX (.docx файла нет!). Если нужны исходники LaTeX, пишите в сообщения
Файлы условия, демо
Характеристики домашнего задания
Предмет
Учебное заведение
Номер задания
Вариант
Просмотров
110
Качество
Идеальное компьютерное
Размер
1,59 Mb
Список файлов
Элтех 1.pdf