Для студентов МГТУ им. Н.Э.Баумана по предмету Электротехника (ЭлТех)Расчет линейных цепей постоянного токаРасчет линейных цепей постоянного тока
4,9957579
2023-04-032023-04-03СтудИзба
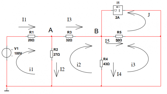
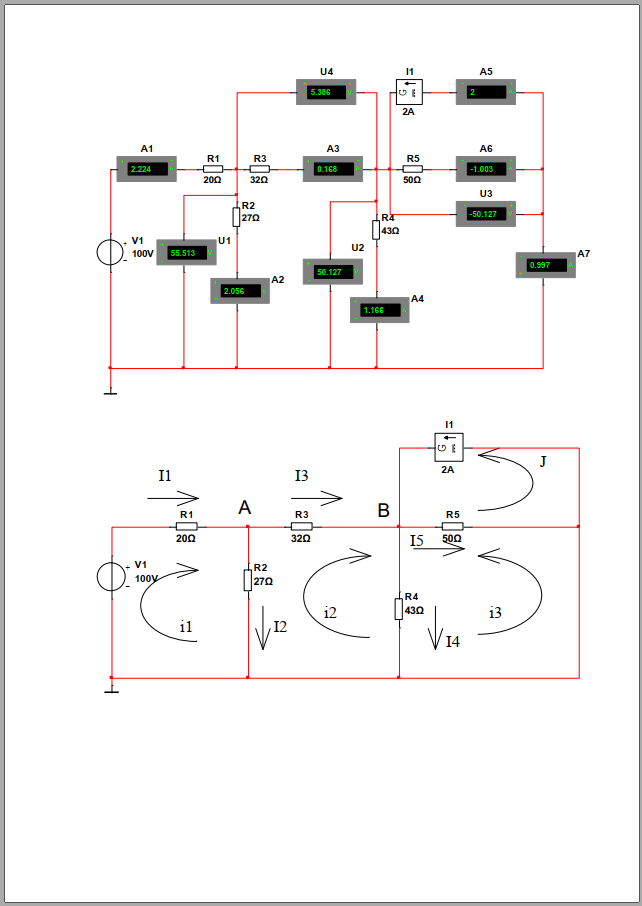
ДЗ 1: Расчет линейных цепей постоянного тока вариант 7
Описание
ДЗ РЕШЕНО РАЗЛИЧНЫМИ МЕТОДАМИ:
Метод контурных токов
Метод узловых потенциалов
Баланс электрической мощности
Метод эквивалентного генератора
ДЕМО


Характеристики домашнего задания
Предмет
Учебное заведение
Номер задания
Вариант
Программы
Просмотров
80
Качество
Идеальное компьютерное
Размер
779,91 Kb
Список файлов
Вариант №7.pdf

Если работа Вам была полезна, Пожалуйста, потратьте несколько секунд, чтобы оставить нам 5 ЗВЁЗД и положительный отзывы. Мы Вам глубоко признателены!