Для студентов ТвГТУ по предмету Электротехника (ЭлТех)Расчёт линейных электрических цепей по законам Ома и Кирхгофа на примере цепей постоянного тока. Понятия и методы расчёта трехфазных цепей. СоотношениРасчёт линейных электрических цепей по законам Ома и Кирхгофа на примере цепей постоянного тока. Понятия и методы расчёта трехфазных цепей. Соотношени
5,00532
2023-02-262025-01-26СтудИзба
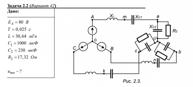
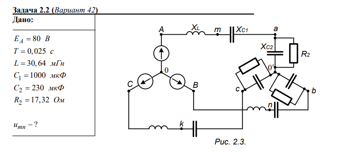
Расчёт линейных электрических цепей по законам Ома и Кирхгофа на примере цепей постоянного тока. Понятия и методы расчёта трехфазных цепей. Соотношения между линейными и фазными напряжениями и токами в схемах соединения фаз в звезду и треугольник.
Описание
Полностью разжёванное решение трёх объёмных задач по электротехнике. Темы задач в названии и прикреплённых изображениях заданий.
Показать/скрыть дополнительное описание
Расчёт линейных электрических цепей по законам Ома и Кирхгофа на примере цепей постоянного тока. Понятия и методы расчёта трехфазных цепей. Соотношения между линейными и фазными напряжениями и токами в схемах соединения фаз в звезду и треугольник. Векторные диаграммы. .
Файлы условия, демо
Характеристики домашнего задания
Предмет
Учебное заведение
Семестр
Вариант
Просмотров
11
Качество
Идеальное компьютерное
Размер
990,29 Kb
Список файлов
1_2_42.pdf
2_2_42.pdf
1_1_42.pdf
ТвГТУ
voznesen.the.best

















