Для студентов МГТУ им. Н.Э.Баумана по предмету Электротехника (ЭлТех)Элтех Домашнее задание №1 "Цепи постоянного тока"Элтех Домашнее задание №1 "Цепи постоянного тока"
5,0058
2022-06-102022-06-10СтудИзба
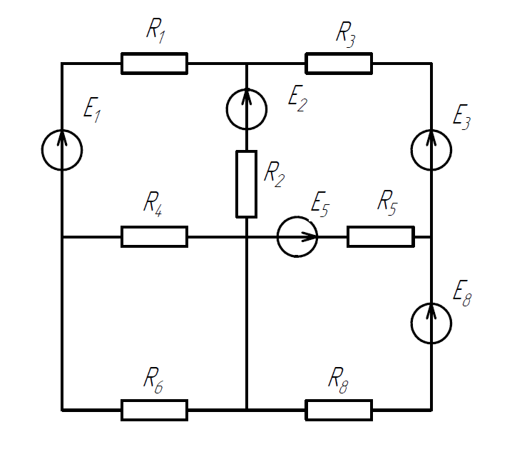
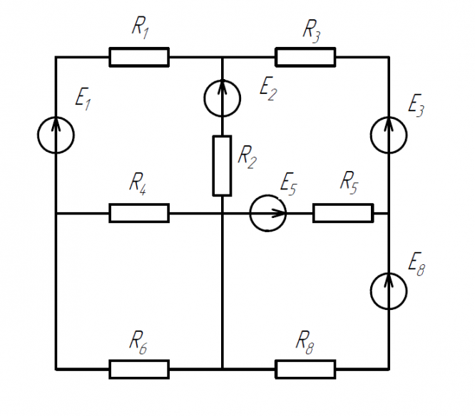
ДЗ 1: Элтех Домашнее задание №1 "Цепи постоянного тока" вариант 8
Описание
Характеристики домашнего задания
Предмет
Учебное заведение
Семестр
Номер задания
Вариант
Просмотров
168
Качество
Идеальное компьютерное
Размер
531,2 Kb
Список файлов
ДЗ1 Вариант 8 (2022).pdf
Комментарии
Нет комментариев
Стань первым, кто что-нибудь напишет!

МГТУ им. Н.Э.Баумана
stanovitsky


















