Для студентов МГТУ им. Н.Э.Баумана по предмету Электротехника (ЭлТех)Элтех ДЗ№2 Вариант 11Элтех ДЗ№2 Вариант 11
3,0054
2022-04-232022-04-23СтудИзба
ДЗ 2: Элтех ДЗ№2 Вариант 11 вариант 11
Описание
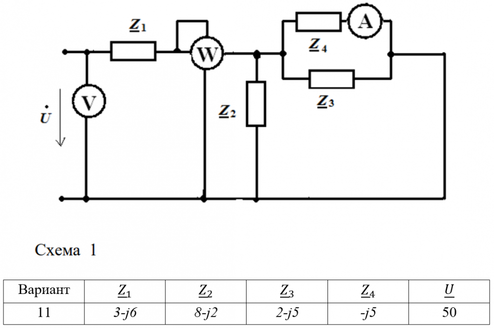
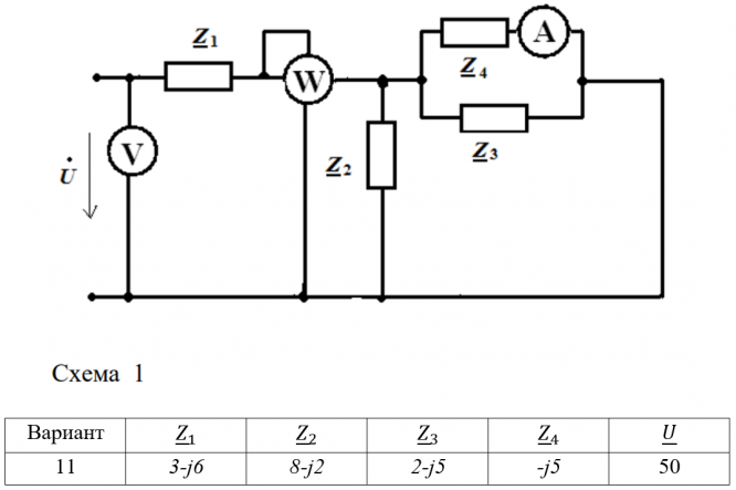
Расчёт линейных цепей синусоидального тока. 6 Семестр. По указанию преподавателя были выполнены пункты с 1 по 9.
![]()
Характеристики домашнего задания
Предмет
Учебное заведение
Семестр
Номер задания
Вариант
Просмотров
69
Размер
155,08 Kb
Список файлов
Элтех ДЗ№1 часть 2.docx
Комментарии
Нет комментариев
Стань первым, кто что-нибудь напишет!
МГТУ им. Н.Э.Баумана
Saturn

















