Для студентов МГТУ им. Н.Э.Баумана по предмету Электротехника (ЭлТех)Вариант 21 - ДЗ 1. Расчет линейных цепей постоянного токаВариант 21 - ДЗ 1. Расчет линейных цепей постоянного тока
4,9755476
2022-02-102024-09-06СтудИзба
ДЗ 1: Вариант 21 - ДЗ 1. Расчет линейных цепей постоянного тока вариант 21
-43%
Описание
Не только копировать, а нужно понимать!
(file word, file autocad, file MathCad)
Расчет токов в цепи при непосредственном использовании законов Кирхгофа
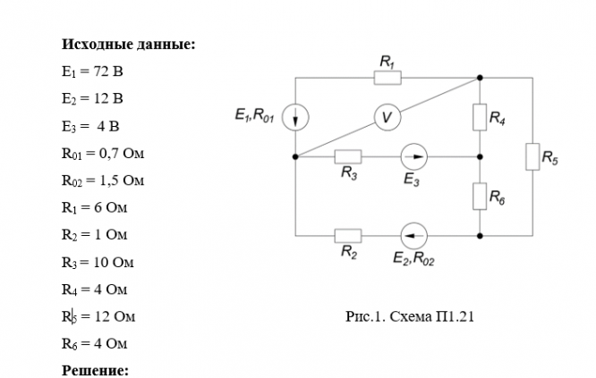
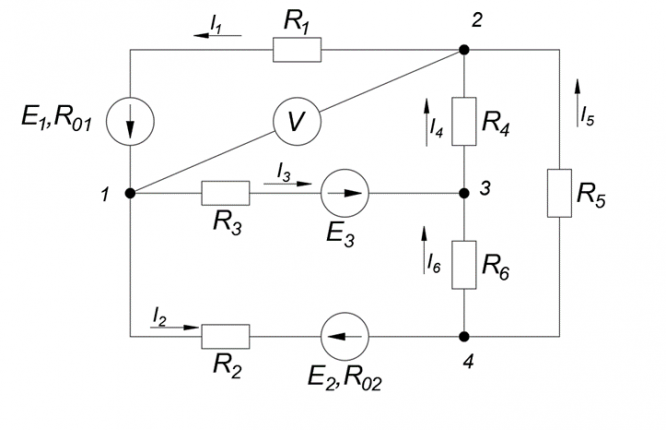
Для заданной схемы составим систему уравнений по законам Кирхгофа и определим все токи в ветвях схемы. Токи в ветвях направим произвольно.
(file word, file autocad, file MathCad)

Расчет токов в цепи при непосредственном использовании законов Кирхгофа

Для заданной схемы составим систему уравнений по законам Кирхгофа и определим все токи в ветвях схемы. Токи в ветвях направим произвольно.
Характеристики домашнего задания
Предмет
Учебное заведение
Семестр
Номер задания
Вариант
Просмотров
59
Качество
Идеальное компьютерное
Размер
612,98 Kb
Список файлов
273_i_7879_n.dwg
Dz1.docx
dz.xmcd

Привет всем! Я автор на Студизбе. Я надеюсь что, не только дам Вам файлы с ответом но и знание. Не только копировать, а нужно понимать! Вставьте 5 звезд и позитивные комментарии сразу дам Вам подарок