Для студентов МГТУ им. Н.Э.Баумана по предмету Электротехника (ЭлТех)Вариант 14аВариант 14а
2021-12-102021-12-10СтудИзба
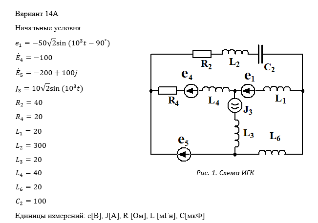
ДЗ 2: Вариант 14а вариант 14
Описание
Характеристики домашнего задания
Предмет
Учебное заведение
Семестр
Номер задания
Вариант
Теги
Просмотров
66
Качество
Идеальное компьютерное
Размер
923,55 Kb
Список файлов
Курсовая.docx
Комментарии
Нет комментариев
Стань первым, кто что-нибудь напишет!

МГТУ им. Н.Э.Баумана

















