Для студентов МГТУ им. Н.Э.Баумана по предмету Электротехника (ЭлТех)Расчет линейных цепей постоянного токаРасчет линейных цепей постоянного тока
5,0052
2024-10-122024-10-12СтудИзба
ДЗ 1: Расчет линейных цепей постоянного тока вариант 14
Описание
Дз 1 по теме "Расчет цепей постоянного тока" вариант 14
зачтено на макс балл, есть файл расчета в Маткаде
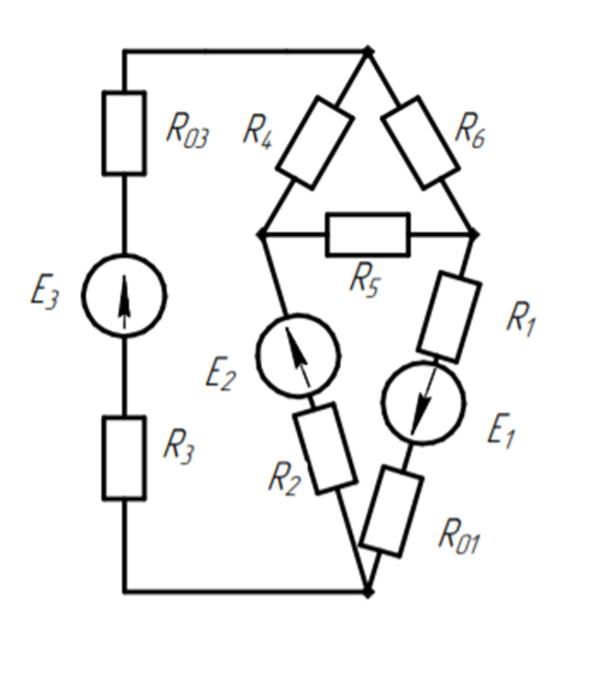
Условие:
![]()
зачтено на макс балл, есть файл расчета в Маткаде
Условие:
- Для заданной схемы (Рис. 1) составить систему уравнений по законам Кирхгофа, подставить в нее числовые значения (Таблица 1), и определить все токи в ветвях схемы.
- Записать уравнение баланса мощностей для исходной схемы. Подставить известные числовые значения и оценить относительную погрешность расчета.
- Для исходной схемы составить систему уравнений по методу контурных токов, подставить числовые значения и определить все токи в ветвях исходной схемы.
- Преобразовать исходную электрическую цепь в эквивалентную, заменив пассивный треугольник резисторов , , эквивалентной звездой. Рассчитать полученную цепь, используя метод узловых потенциалов. Определить все токи, соответствующие первоначальной схеме.
- Определить ток в резисторе методом эквивалентного генератора.
- Определить показание вольтметра, указанного в исходной схеме.
- Рассчитать и построить потенциальную диаграмму для внешнего контура исходной схемы.
- Сопоставить рассмотренные методы расчета электрических цепей, сделать соответствующие выводы.

Характеристики домашнего задания
Предмет
Учебное заведение
Номер задания
Вариант
Просмотров
57
Размер
683,29 Kb
Список файлов
Элтех Дз1.docx
дз 1.xmcd
Мой файл оказался полезным? Не забудь оставить отзыв! Дарю баллы за честные отзывы!
МГТУ им. Н.Э.Баумана
anton_phame



















