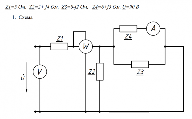
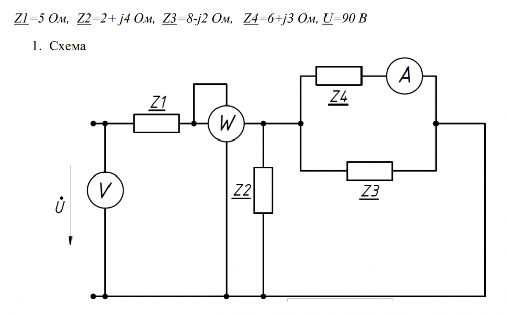
Для студентов МГТУ им. Н.Э.Баумана по предмету Электротехника (ЭлТех)Вариант 12 - ДЗ №2Вариант 12 - ДЗ №2
4,89540
2021-11-192021-11-19СтудИзба
ДЗ 2: Вариант 12 - ДЗ №2 вариант 12
Описание
Характеристики домашнего задания
Предмет
Учебное заведение
Семестр
Номер задания
Вариант
Просмотров
116
Качество
Идеальное компьютерное
Размер
670,26 Kb
Список файлов
Параскевов_СМ1-61_дз1.pdf
Комментарии
Нет комментариев
Стань первым, кто что-нибудь напишет!
МГТУ им. Н.Э.Баумана


















