ДЗ 1: Вариант 14 - ДЗ №1 (часть 2) - Расчет линейных цепей синусоидального тока вариант 14
Описание
Домашнее задание № 1 (часть 2) по курсу "Электротехника и электроника" для факультета СМ (5 семестр)
Тема: "Расчет линейных цепей синусоидального тока"
Вариант 14
Исходные данные:
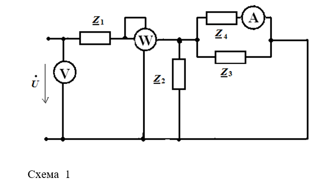
Z1=6 Ом, Z2=5+j3 Ом, Z3=j4 Ом, Z4=2 Ом, U=60 В.
Тема: "Расчет линейных цепей синусоидального тока"
Вариант 14
Исходные данные:
Z1=6 Ом, Z2=5+j3 Ом, Z3=j4 Ом, Z4=2 Ом, U=60 В.
Характеристики домашнего задания
Предмет
Учебное заведение
Семестр
Номер задания
Вариант
Просмотров
117
Качество
Идеальное компьютерное
Размер
8,32 Mb
Список файлов
Электротехника - ДЗ.1 ч.2 (вариант 14).docx
Комментарии
Нет комментариев
Стань первым, кто что-нибудь напишет!
МГТУ им. Н.Э.Баумана

















