Для студентов МГТУ им. Н.Э.Баумана по предмету Электротехника (ЭлТех)ДЗ№2 ЭлтехДЗ№2 Элтех
4,55570
2021-06-152021-06-15СтудИзба
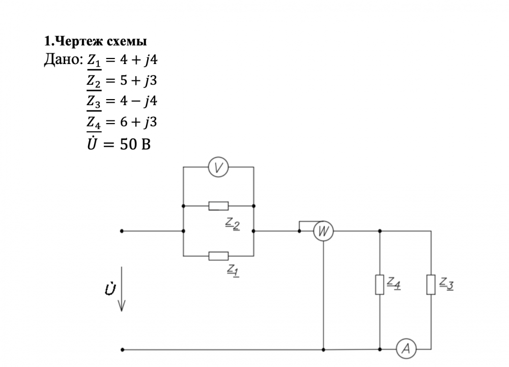
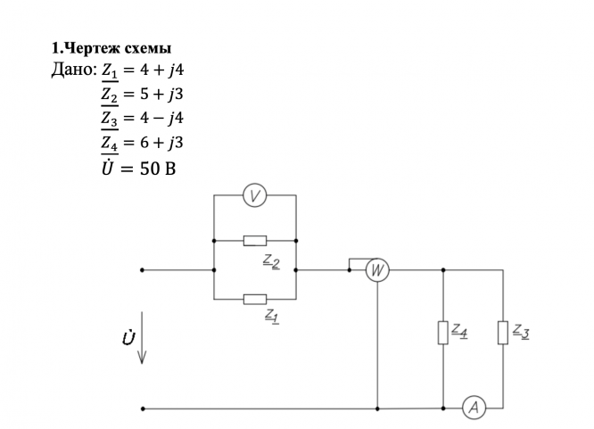
ДЗ 2: ДЗ№2 Элтех вариант 20
Описание
Характеристики домашнего задания
Предмет
Учебное заведение
Семестр
Номер задания
Вариант
Просмотров
100
Размер
2,65 Mb
Список файлов
Адищев ДЗ2 ЭлТех РК9-64Б.pdf
Комментарии
Нет комментариев
Стань первым, кто что-нибудь напишет!
МГТУ им. Н.Э.Баумана
vk_292124919

















