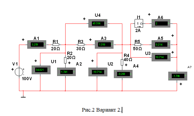
Для студентов МГТУ им. Н.Э.Баумана по предмету Электротехника (ЭлТех)ДЗ №1 Вариант 2-15 Постоянный токДЗ №1 Вариант 2-15 Постоянный ток
4,83536
2021-06-062021-06-06СтудИзба
ДЗ 1: ДЗ №1 Вариант 2-15 Постоянный ток вариант 2
Описание
Word и Mathcad


Характеристики домашнего задания
Предмет
Учебное заведение
Семестр
Номер задания
Вариант
Теги
Просмотров
59
Размер
285,8 Kb
Список файлов
ДЗ-1.docx
Условие.docx
элтех.xmcd
элтех2.xmcd