ДЗ 1: 1 вариант, 1 дз, постоянный ток(ВСЁ РАСПИСАНО) вариант 1
Описание
Характеристики домашнего задания
Предмет
Учебное заведение
Семестр
Номер задания
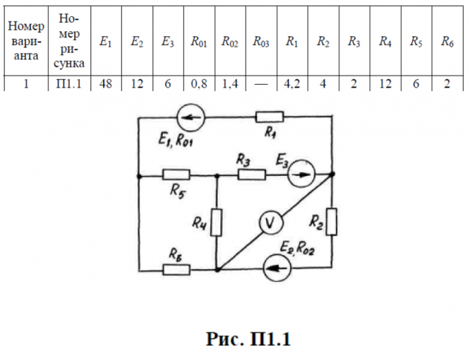
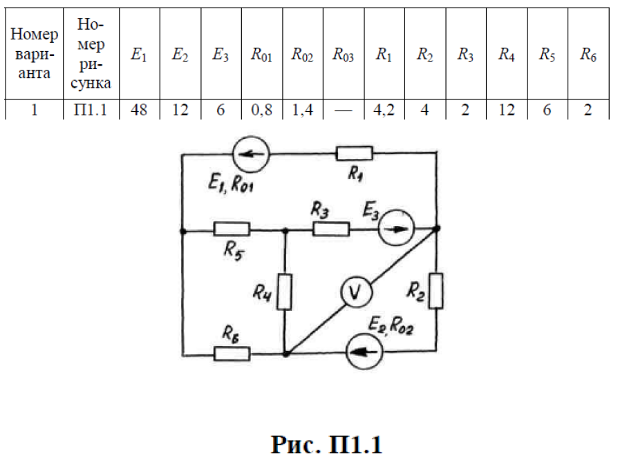
Вариант
Просмотров
196
Качество
Идеальное компьютерное
Размер
1,26 Mb
Список файлов
6.pdf
XX.pdf
Дз1_постоянный ток_1вар.docx
Дз1_постоянный ток_1вар.pdf
Фрагмент.pdf
Цепь.frw
Цепь.frw.bak
Чертеж.pdf
звезда.pdf
конец.pdf
контуры.xlsx
треугол.pdf
треугольник.frw
Отзывы
Отзыв
Приняли на отлично
МГТУ им. Н.Э.Баумана
BMSTU1830

















