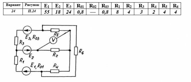
Для студентов МГТУ им. Н.Э.Баумана по предмету Электротехника (ЭлТех)24 вариант ДЗ1 Word24 вариант ДЗ1 Word
5,00511
2021-02-062021-02-06СтудИзба
ДЗ 1: 24 вариант ДЗ1 Word вариант 24
Описание
Характеристики домашнего задания
Предмет
Учебное заведение
Семестр
Номер задания
Вариант
Просмотров
164
Размер
225,47 Kb
Список файлов
элтех ДЗ1.docx
МГТУ им. Н.Э.Баумана


















