Для студентов МГТУ им. Н.Э.Баумана по предмету Электротехника (ЭлТех)Анализ установившихся и переходных режимов в линейных электрических цепяхАнализ установившихся и переходных режимов в линейных электрических цепях
5,0052
2020-10-292020-10-29СтудИзба
ДЗ: Анализ установившихся и переходных режимов в линейных электрических цепях вариант 14А
Описание
Анализ установившихся и переходных режимов в линейных электрических цепях
Название пункта | Стр. | ||
1. | Расчет источника гармонических колебаний. | 5 | |
| 1.1. | Определить все токи, показания вольтметра и амперметра электромагнитной системы. | 5 |
| 1.2. | Составить и рассчитать баланс мощностей. | 7 |
| 1.3. | Записать мгновенные значения тока и напряжения первичной обмотки трансформатора ТР и построить их волновую диаграмму. | 7 |
| 1.4. | Представить исходную схему ИГК относительно первичной обмотки трансформатора эквивалентным источником (напряжения или тока). Определить его параметры и значение тока в первичной обмотке трансформатора. Сравнить значение тока со значением, полученным в п. 1.1. | 8 |
| 1.5. | Определить значения Mnq, Mnp, Lq, Lp ТР из условия, что индуктивность первичной обмотки Ln известна, U1=5В, U2=10В, а коэффициент магнитной связи обмоток k следует выбрать самостоятельно из указанного диапазона: 0,5 < k < 0,95 (n, p, q – номера индуктивностей ТР). | 9 |
2. | Расчет четырехполюсника. | 10 | |
| 2.1. | Рассчитать токи и напряжения методом входного сопротивления (или входной проводимости), построить векторную диаграмму токов и напряжений. | 10 |
| 2.2. | Записать мгновенные значения u1 = u3= uвх, iвх и uвых определить сдвиг по фазе между выходным и входным напряжениями, а так же отношение их действующих значений. | 12 |
| 2.3. | Определить коэффициенты четырехполюсника в форме матрицы А, характеристические параметры, их численные значения для частоты ω ИГК. По известным коэффициентам матрицы А и входному напряжению uвх определить входной ток iвх и выходное напряжение uвых в режиме холостого хода на частоте ИГК. | 13 |
| 2.4. | Определить, какое реактивное сопротивление нужно подключить к выходным зажимам четырехполюсника, чтобы uвх и iвх совпадали по фазе. Если при заданных значениях элементов схемы не удается получить требуемый результат (это должно быть теоретически обосновано), то для его достижения следует подключить реактивное сопротивление к входным зажимам параллельно четырехполюснику. В обоих случаях при этом необходимо определить входное сопротивление (проводимость), входной ток и добротность колебательного контура. Сравнить эти результаты с полученными в п.2.1 | 15 |
| 2.5 | Определить передаточные функции четырехполюсника: , | 16 |
| 2.6 | Определить и построить амплитудно- и фазочастотные характеристики. Используя частотные характеристики, определить uвых при заданном uвх. Сравнить результат с полученным в п.2.3 | 16 |
| 2.7 | Построить годограф – линию семейства точек комплексной передаточной функции при разных частотах в диапазоне частот от 0 до ∞ на комплексной плоскости. | 18 |
| 2.8 | Определить и построить переходную и импульсную характеристики цепи для входного тока и выходного напряжения. Показать связь этих характеристик с передаточными функциями, АЧХ. | 18 |
3. | Расчет переходных процессов классическим методом. | 22 | |
| Переключатель Кл перевести в положение 2 в момент времени, когда входное напряжение , , т.е в момент начала положительного импульса напряжения . Это условие будет выполнено при равенстве аргумента входного напряжения , где k = 0, 1, 2, 3, … | | |
| 3.1. | Рассчитать и построить графики изменения тока и напряжения четырехполюсника при подключении его к клеммам с напряжением с учетом запаса энергии в элементах цепи от предыдущего режима работы на интервале t классическим методом, где Т – период изменения напряжения . | 22 |
| 3.2. | Рассчитать и построить графики напряжения на выходе и на емкостях, а также токи на входе и в индуктивностях в квазиустановившемся режиме на интервале методом припасовывания. | 28 |
4. | Расчет установившихся значений напряжений и токов в электрических цепях при несинусоидальном воздействии | 31 | |
| 4.1 | Рассчитать законы изменения тока и напряжения частотным методом, представив напряжение в виде ряда Фурье до пятой гармоники. | 31 |
| 4.2. | Построить графики , , , в одном масштабе времени один под другим, где , и – суммарные мгновенные значения. Сравнить графики , с соответствующими в пп. 3.1, 3.2, сделать выводы. | 32 |
| 4.3. | Определить действующие значения несинусоидальных токов и напряжений (см. п. 4.1), а также активную мощность, потребляемую четырехполюсником, реактивную мощность, коэффициенты формы кривых , , . | 34 |
5. | Выводы. | 36 | |
6. | Список литературы. | 38 |
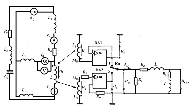
Структурная схема исследованной электрической цепи ![]()
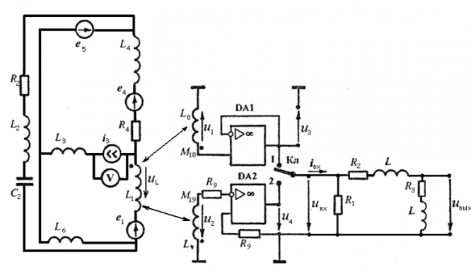
Функциональная схема электрической цепи ![]()
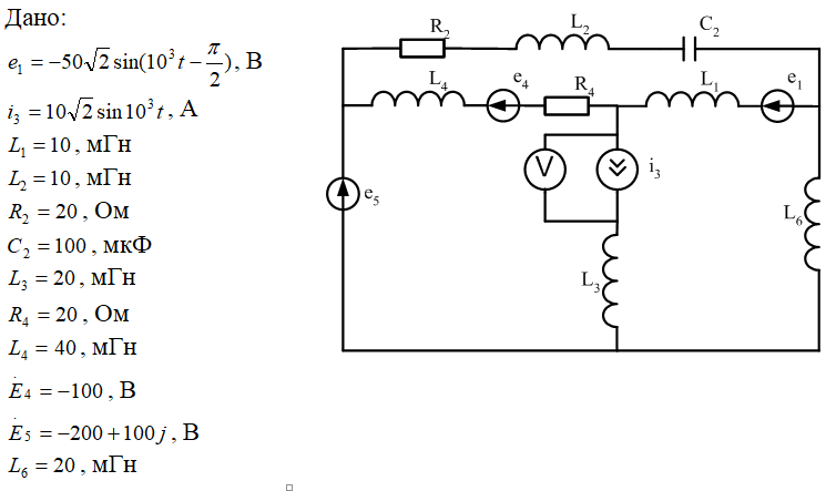
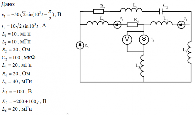
1. Расчет источника гармонических колебаний (ИГК)
- Определить все токи, показания вольтметра и амперметра электромагнитной системы.

Характеристики домашнего задания
Предмет
Учебное заведение
Семестр
Вариант
Программы
Просмотров
113
Качество
Идеальное компьютерное
Размер
449,37 Kb
Список файлов
КП - Анализ установившихся и переходных режимов в линейных электрических цепях - Вариант №14а.doc

Вам все понравилось? Получите кэшбэк - 40 рублей на Ваш счёт при покупке. Поставьте оценку и напишите положительный комментарий к купленному файлу. После Вы получите деньги на ваш счет.