Для студентов МГТУ им. Н.Э.Баумана по предмету Электротехника (ЭлТех)домашнее задание 1вариант 23, группа 4домашнее задание 1вариант 23, группа 4
5,0054
2020-10-202020-10-20СтудИзба
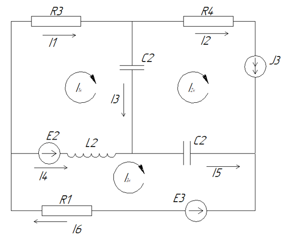
ДЗ 1: домашнее задание 1вариант 23, группа 4 вариант 23
Описание

Характеристики домашнего задания
Предмет
Учебное заведение
Семестр
Номер задания
Вариант
Просмотров
62
Размер
133,78 Kb
Список файлов
ЭЛТЕХ_Группа4.docx
Комментарии
Нет комментариев
Стань первым, кто что-нибудь напишет!
МГТУ им. Н.Э.Баумана
vk_141195964


















